このページの内容は最新ではありません。最新版の英語を参照するには、ここをクリックします。
スペクトル アナライザー
周波数スペクトルを表示する
ライブラリ:
DSP System Toolbox /
Sinks
Audio Toolbox /
Sinks
DSP System Toolbox HDL Support /
Sinks
説明
Spectrum Analyzer ブロック (以降、スコープと呼ぶ) は、周波数領域信号、および時間領域信号の周波数スペクトルを表示します。スコープには、スペクトル ビューとスペクトログラム ビューが表示されます。このブロックのアルゴリズムでは、平均修正ピリオドグラムのフィルター バンク法とウェルチ法を使用してスペクトル推定を行います。スペクトル アナライザーの表示は、必要なデータと測定情報を表示するようにカスタマイズできます。詳細については、アルゴリズムを参照してください。

[ノーマル] または [アクセラレータ] シミュレーション モードで実行中のモデルで Spectrum Analyzer ブロックを使用することができます。[ラピッド アクセラレータ] または [エクスターナル] シミュレーション モードで実行中のモデルでも、いくらか制限はありますが、Spectrum Analyzer ブロックを使用することができます。
すべてのサブシステムおよび条件付きサブシステム内で Spectrum Analyzer ブロックを使用できます。"条件付きサブシステム" は Enabled Subsystem、Triggered Subsystem、Enabled and Triggered Subsystem および Function-Call Subsystem を含みます。詳細については、条件付き実行サブシステムの概要を参照してください。
測定
プログラム制御
SpectrumAnalyzerBlockConfiguration (DSP System Toolbox) オブジェクトでコマンド ラインからスペクトル アナライザーの設定を構成および表示します。
例
この例では、Spectrum Analyzer ブロックを使用して周波数入力信号を可視化する方法について説明します。

Spectrum Analyzer ブロックを使用して周波数領域の入力信号を可視化するには、スペクトル アナライザーのツールストリップの [推定] タブで [入力領域] を Frequency に設定します。[スペクトル] タブで [両側スペクトル] パラメーターをオフにします。
モデルを実行します。2 つのピークを確認できます。ピークを測定するには、[測定値] タブで [ピークの検出] を有効にします。

Variable FIR Decimation (DSP System Toolbox)ブロックを使用して間引き係数を変更し、正弦波信号を間引きます。シミュレーションの実行中にブロックのダイアログ ボックスまたは入力端子を使用して間引き係数を変更できます。
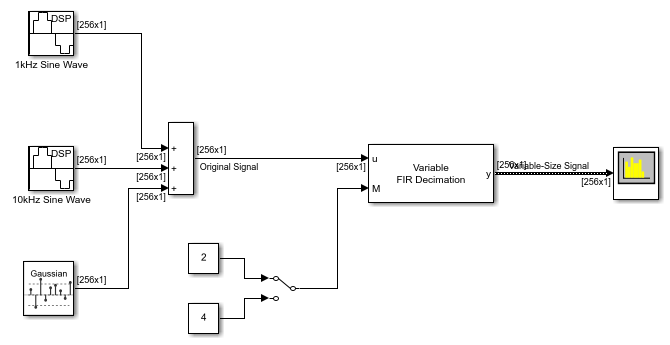
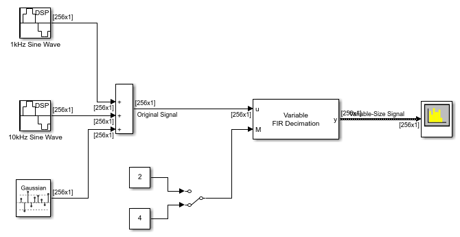
モデルを開いて検査
DisplayVariableSizeSignalonSpectrumAnalyzer モデルを開きます。
モデルの入力信号は、周波数が 1 kHz と 10 kHz の 2 つの正弦波の合計です。サンプル時間は 1/44100 s で、フレームあたり 256 個のサンプルが含まれています。Random Source ブロックは、分散が 0.05 のゼロ平均のホワイト ガウス ノイズを正弦波の合計に加えます。
Variable FIR Decimation ブロックを介してこの信号を渡します。ブロックの [最大間引き係数] パラメーターは 24 に設定されています。入力端子を使用して間引き係数を指定できますが、Manual Switch ブロックを使用して間引き係数を変更することもできます。Variable FIR Decimation ブロックの出力は、指定した間引き係数に従ってフレーム サイズが変化する可変サイズの信号です。
モデルの実行
スペクトル アナライザーで、間引かれた信号のスペクトルを可視化します。スペクトル アナライザーのサンプル レートは、信号のフレーム サイズおよび信号のサンプル レートに基づいて更新されます。
間引き係数を 2 に設定すると、出力フレーム サイズは入力フレーム サイズの半分になり、スペクトル アナライザーはサンプル レート 44100/2、つまり 22.05 kHz を使用します。


シミュレーションの実行中に、間引き係数を 4 に変更します。スペクトル アナライザーのサンプル レートが 44100/4、つまり 11.025 kHz に調整されたのを確認できます。1 kHz のトーンは同じままですが、10 kHz のトーンはスペクトル アナライザーに表示されなくなっています。これは、スペクトルの範囲が [0 Fs/2] = [0 5.5125 kHz] になっているからです。


Spectrum Analyzer ブロックを使用して、ノイズを含む正弦波入力信号のパワー スペクトルを計算して表示します。以下のブロックの構成プロパティを有効にして、スペクトルのカーソル配置、隣接チャネル電力比、歪み、およびピーク値を測定します。
CursorMeasurementsChannelMeasurementsDistortionMeasurementsPeakFinder
モデルを開いて検証
Lowpass Filter ブロックを使用して、ノイズを含むストリーミング正弦波入力信号をフィルター処理します。入力信号は次の 2 つの正弦波トーンで構成されます。1 kHz と 15 kHz。ノイズは、平均 0、分散 0.05 のホワイト ガウス ノイズです。サンプリング周波数は 44.1 kHz です。モデルを開き、ブロックのパラメーター値を検査します。
model = 'spectrumanalyzer_measurements.slx';
open_system(model)

関数 get_param を使用して Spectrum Analyzer ブロックの構成プロパティにアクセスします。
sablock = 'spectrumanalyzer_measurements/Spectrum Analyzer'; cfg = get_param(sablock,'ScopeConfiguration');
測定データの有効化
測定値を取得するには、Enabled プロパティを true に設定します。ピーク測定値にラベルを付けます。
cfg.CursorMeasurements.Enabled = true; cfg.ChannelMeasurements.Enabled = true; cfg.DistortionMeasurements.Enabled = true; cfg.PeakFinder.Enabled = true; cfg.PeakFinder.LabelPeaks = true;
モデルのシミュレーション
モデルを実行します。Spectrum Analyzer ブロックは元のスペクトルとフィルター処理されたスペクトルを比較します。
sim(model)

スペクトル アナライザー ウィンドウの下部にあるパネルに、有効にした測定値が表示されます。
関数 getMeasurementsData の使用
関数 getMeasurementsData を使用して、測定値をプログラムによって取得します。
data = getMeasurementsData(cfg)
data =
1×5 table
SimulationTime PeakFinder CursorMeasurements ChannelMeasurements DistortionMeasurements
______________ __________ __________________ ___________________ ______________________
{[99.9967]} 1×1 struct 1×1 struct 1×1 struct 1×1 struct
測定パネルに表示される値は、data に表示される値と一致しています。data の個別のフィールドにアクセスして、各種測定値をプログラムによって取得できます。
ピーク値の比較
例として、ピーク値を比較します。data.PeakFinder で取得したピーク値がスペクトル アナライザー ウィンドウの値と一致しているかを検証します。
peakvalues = data.PeakFinder.Value frequencieskHz = data.PeakFinder.Frequency/1000
peakvalues =
26.9752
26.2560
-4.4033
frequencieskHz =
15.0015
1.0049
16.5806
拡張例
Spectrum Analyzer による測定
この例では、高調波歪み測定 (THD、SNR、SINAD、SFDR など)、3 次相互変調 (TOI) 歪み測定、および隣接チャネル電力比 (ACPR) 測定に Spectrum Analyzer ブロックを使用する方法を示します。また、この例では、スペクトログラムと自動ピーク検出を使用して時変スペクトルを表示する方法も説明します。この例には 5 つのアンプ モデルが含まれており、各モデルはいずれかの測定を実行するための一般的な設定を表しています。
(DSP System Toolbox)
High Resolution Spectral Analysis in Simulink
Perform spectral estimation in Simulink® using the filter bank method, and compare the performance with the Welch's averaged modified periodogram method.
(DSP System Toolbox)
端子
入力
可視化する信号を接続します。最大 96 の入力端子をもつことができます。入力信号には次の特性がなければなりません。
信号領域 — 周波数または時間信号。
タイプ — 離散信号。
データ型 — Simulink でサポートされるすべてのデータ型。Simulink でサポートされているデータ型を参照してください。
次元 — 1 次元 (ベクトル)、2 次元 (行列)、または多次元 (配列) の信号。入力信号には固定数のチャネルがなければなりません。信号の次元および信号の次元の決定を参照してください。
Spectrum Analyzer ブロックでは可変サイズの入力信号がサポートされています。つまり、シミュレーション時に信号のフレーム サイズを変更できます。信号のフレーム サイズが変更されると、それに従ってスコープで使用されるサンプル レートも変更されます。そのため、スペクトル表示の周波数スパンが更新されます。
Spectrum Analyzer ブロックは固定小数点入力を受け入れますが、表示用に double に変換します。
この端子は、次の入力端子のいずれかを有効にするまでは名前なしになります。
F
RBW
VBW
(R2024a 以降)
データ型: single | double | int8 | int16 | int32 | int64 | uint8 | uint16 | uint32 | uint64 | fixed point
複素数のサポート: あり
周波数 (Hz) を指定します。周波数ベクトルは、2 つ以上の要素をもつ有限の単調増加の列ベクトルである必要があります。周波数ベクトルの点の数は、入力フレーム サイズと等しくなければなりません。周波数は [推定] タブの [周波数 (Hz)] パラメーターを使用して指定することもできます。
依存関係
この端子を有効にするには、次のように設定します。
[推定] タブの [入力領域] パラメーターを
[周波数]。[推定] タブの [周波数 (Hz)] パラメーターを
[入力端子]。
データ型: single | double | int8 | int16 | int32 | int64 | uint8 | uint16 | uint32 | uint64 | Boolean | fixed point
この端子を通じて分解能帯域幅 (Hz) を指定します。RBW では、スコープで分解できる最小の正の周波数を定義します。RBW 値は [推定] タブの [RBW (Hz)] パラメーターを使用して指定することもできます。
依存関係
この端子を有効にするには、[推定] タブの [RBW (Hz)] パラメーターを [入力端子] に設定します。
データ型: single | double | int8 | int16 | int32 | int64 | uint8 | uint16 | uint32 | uint64 | Boolean | fixed point
この端子を通じてビデオ帯域幅 (Hz) を指定します。ビデオ帯域幅は、スコープで信号を表示する前に信号のノイズを平均化または平滑化するために使用するローパス フィルターの帯域幅です。VBW 値は [推定] タブの [VBW (Hz)] パラメーターを使用して指定することもできます。
依存関係
この端子を有効にするには、次のように設定します。
[推定] タブの [入力領域] パラメーターを
[時間]。[推定] タブの [平均化方法] パラメーターを
[VBW]。[推定] タブの [VBW (Hz)] パラメーターを
[入力端子]。
データ型: single | double | int8 | int16 | int32 | int64 | uint8 | uint16 | uint32 | uint64 | Boolean | fixed point
パラメーター
[スコープ] タブ
ビュー
表示するスペクトルのタイプ。次の値のいずれかとして設定します。
パワー— スペクトル アナライザーはパワー スペクトルを表示します。パワー密度— スペクトル アナライザーはパワー スペクトル密度を表示します。パワー スペクトル密度は、1 Hz の帯域幅に正規化されたスペクトルの二乗振幅です。RMS— スペクトル アナライザーは平方根平均二乗スペクトルを表示します。このオプションは、電圧や電流の信号の周波数を表示する場合に使用します。
調整可能: Yes
依存関係
このパラメーターを有効にするには、[推定] タブの [入力領域] パラメーターを [時間] に設定します。
プログラムでの使用
ブロック パラメーター: SpectrumType |
| 型: 文字ベクトルまたは string スカラー |
帯域幅
スコープで使用するサンプル レート (Hz)。次のいずれかとして指定します。
継承— このオプションは、入力信号と同じサンプル レートを指定する場合に使用します。正のスカラー — 指定するサンプル レートは、入力信号のサンプル レートの少なくとも 2 倍でなければなりません。そうしないと、スコープで信号を可視化するときに、エイリアシングが原因で予期しない動作に至る可能性があります。
信号のフレーム サイズが変更されると、それに従ってスコープで使用されるサンプル レートも変更されます。そのため、スペクトル表示の周波数スパンが更新されます。
サンプル レートをステータス バーに表示するには、ステータス バーの アイコンをクリックし、[サンプル レート] を選択します。
プログラムでの使用
ブロック パラメーター: SampleRate、SampleRateSource |
型: double |
調整可能: Yes
周波数軸 (x 軸) に適用するオフセット (Hz 単位)。次のいずれかとして指定します。
スカラー — 同じ周波数オフセットをすべてのチャネルに適用します。
ベクトル — チャネルごとに特定の周波数オフセットを適用します。ベクトルの長さは入力チャネルの数と等しくなければなりません。
スパン全体がナイキスト周波数範囲の範囲内に収まらなければなりません。[スパン (Hz)] パラメーターの設定方法に基づいて、スパン全体をさまざまな方法で制御できます。
調整可能: Yes
プログラムでの使用
ブロック パラメーター: FrequencyOffset |
型: double |
[構成]、[スペクトル アナライザーの設定] (
)
ブロックに対する入力端子の数。1 ~ 96 の整数として指定します。入力端子の数を変更するには、新しい入力信号線をブロックにドラックします。ブロックで新しい端子が自動的に作成されます。
プログラムでの使用
ブロック パラメーター: NumInputPorts |
| 型: 文字ベクトルまたは string スカラー |
| 値: 1 ~ 96 のスカラー |
このパラメーターを選択すると、シミュレーションを実行するときにスペクトル アナライザー ウィンドウが自動的に開きます。
プログラムでの使用
ブロック パラメーター: OpenAtSimulationStart |
| 型: logical |
R2024b 以降
スコープ表示における数値の精度を範囲 [1, 15] の正の整数として指定します。
調整可能: Yes
スペクトル表示の y 軸のラベル。文字ベクトルまたは string スカラーとして指定します。信号の単位を表示するには、ラベルに (%<SignalUnits>) を追加します。シミュレーションの開始時に、Simulink は (%SignalUnits) を信号に関連付けられている単位に置き換えます。
たとえば、m/s の単位を使用する速度信号の場合は次のように入力します。
Velocity (%<SignalUnits>)
調整可能: Yes
依存関係
このパラメーターを有効にするには、[スコープ] タブで [スペクトル] を選択します。
プログラムでの使用
ブロック パラメーター: YLabel |
| 型: 文字ベクトルまたは string スカラー |
スペクトル アナライザーの表示の y 軸の範囲。[ymin ymax] の形式の 2 要素の数値ベクトルとして指定します。y 軸の範囲の単位は [スペクトル] タブの [スペクトルの単位] に依存します。
調整可能: Yes
依存関係
このパラメーターを有効にするには、[スコープ] タブで [スペクトル] を選択します。
プログラムでの使用
ブロック パラメーター: YLimits |
型: double |
表示タイトルを指定します。「%<SignalLabel>」と入力すると、Simulink モデルの信号ラベルが座標軸のタイトルとして使用されます。
調整可能: Yes
プログラムでの使用
ブロック パラメーター: Title |
| 型: 文字ベクトルまたは string |
このチェック ボックスをオンにすると、スペクトル アナライザーの表示にグリッドが表示されます。
調整可能: Yes
プログラムでの使用
ブロック パラメーター: ShowGrid |
型: logical |
スペクトログラムの有効なカラーマップ名を選択するか、RGB 3 成分を定義する範囲 [0,1] の値をもつ 3 列の行列を入力します。カラーマップの詳細については、関数 colormap を参照してください。
調整可能: Yes
依存関係
このパラメーターを有効にするには、[スコープ] タブで [スペクトログラム] を選択します。
プログラムでの使用
ブロック パラメーター: Colormap |
| 型: 文字ベクトルまたは string スカラー |
スペクトログラムの色の範囲。[colorMin colorMax] の形式の 2 要素の数値ベクトルとして指定します。色の範囲の単位は [スペクトログラム] タブの [スペクトルの単位] に直接依存します。
調整可能: Yes
依存関係
このパラメーターを有効にするには、[スコープ] タブで [スペクトログラム] を選択します。
プログラムでの使用
ブロック パラメーター: ColorLimits |
型: double |
スペクトル表示で [ライン] または [ステム] のどちらのプロットを表示するかを指定します。
各チャネルのプロットのタイプを個別に制御できます。各チャネルのプロットのタイプを制御するには、チャネルを選択し、適宜 [プロット タイプ] パラメーターを設定します。 (R2025a 以降)
調整可能: Yes
依存関係
このパラメーターは次の場合に有効になります。
[スコープ] タブで [スペクトル] を選択する。
[スペクトル] タブで [通常のトレース] チェック ボックスをオンにする。
プログラムでの使用
ブロック パラメーター: PlotType |
| 型: 文字ベクトルまたは string スカラー |
スコープの目盛り、ラベル、タイトル、および測定値のフォント サイズを正のスカラーとして指定します。
調整可能: Yes
プログラムでの使用
ブロック パラメーター: - |
| 型: double |
スコープの Figure の背景色を指定します。
調整可能: Yes
座標軸の背景色を指定します。
調整可能: Yes
ラベル、グリッド、および凡例のチャネル名の色を指定します。
調整可能: Yes
表示/非表示、ラインの色、スタイル、幅、およびマーカーのプロパティを変更するチャネルを指定します。
調整可能: Yes
このチェック ボックスをオンにすると、選択したチャネルが表示されます。このチェック ボックスをオフすると、選択したチャネルが表示されなくなります。凡例で信号名をクリックすることで、その表示/非表示を制御することもできます。詳細については、凡例 (DSP System Toolbox)を参照してください。
調整可能: Yes
選択したチャネルのラインのスタイルを指定します。
調整可能: Yes
選択したチャネルのラインの幅を指定します。
調整可能: Yes
選択したチャネルのデータ点マーカーを指定します。このパラメーターは、プロットの Marker プロパティとほぼ同等です。ドロップダウン リストからいずれかのマーカー記号を選択できます。
調整可能: Yes
選択したチャネルのラインの色を指定します。
調整可能: Yes
構成
[凡例] ボタンをクリックすると、スペクトル アナライザーで信号の凡例を表示できるようになります。凡例にはモデルの信号名が表示されます。複数のチャネルをもつ信号の場合、スコープで信号名の後にチャネル インデックスが追加されます。連続信号の場合は名前の前に直線が示され、離散信号の場合は階段状の線が示されます。
凡例を使用して、表示する信号を制御できます。信号を非表示にするには、スコープの凡例で信号名をクリックします。信号を表示するには、信号名を再度クリックします。または、[スペクトル アナライザーの設定] (
) の [ビュー] パラメーターを使用して表示する信号を制御することもできます。
1 つの信号だけを表示し、他のすべての信号を非表示にするには、スコープに表示する信号の名前を右クリックします。すべての信号を表示するには、Esc キーを押します。
メモ
凡例には最初の 20 個の信号のみが表示されます。その他の信号を凡例から表示したり制御したりすることはできません。
調整可能: あり
依存関係
[凡例] を有効にするには、[スコープ] タブで [スペクトル] を選択します。
プログラムでの使用
ブロック パラメーター: ShowLegend |
型: logical |
[カラー バー] ボタンを選択すると、スペクトル アナライザーにカラー バーが表示されます。
調整可能: Yes
依存関係
[カラー バー] ボタンを有効にするには、[スコープ] タブで [スペクトログラム] を選択します。
プログラムでの使用
ブロック パラメーター: ShowColorbar |
型: logical |
レイアウト グリッドで該当する構成を選択して、座標軸を垂直または水平にスタックします。
調整可能: Yes
依存関係
[レイアウト] を有効にするには、[スコープ] タブで [スペクトル] および [スペクトログラム] を選択します。
プログラムでの使用
ブロック パラメーター: AxesLayout |
| 型: 文字ベクトルまたは string スカラー |
共有
このボタンをクリックすると、スコープの表示がクリップボードにコピーされます。[クリップボードにコピー] ドロップダウンで [色を保持] を選択すると表示の色を保持できます。
このパラメーターを選択すると、[スコープ] タブ、[共有] セクションで [クリップボードにコピー] オプションおよび [印刷] オプションを使用してクリップボードに表示をコピーするときに、スコープで色が保持されます。
[色を保持] にアクセスするには、[クリップボードにコピー] のドロップダウン矢印をクリックします。
調整可能: Yes
このボタンをクリックすると、スコープの表示をイメージまたは PDF として保存したり、表示を出力したりできます。
[推定] タブ
領域
可視化する入力信号の領域。スコープで時間領域信号を可視化する場合、信号は [推定法] パラメーターで指定するアルゴリズムに基づいて周波数スペクトルに変換されます。
プログラムでの使用
ブロック パラメーター: InputDomain |
| 型: 文字ベクトルまたは string スカラー |
表示の x 軸を決定する周波数ベクトル。次の値のいずれかに設定します。
自動— スコープで入力の長さから周波数ベクトルが計算されます。詳細については、周波数ベクトルを参照してください。入力端子— ブロックの周波数入力端子における周波数ベクトルを指定します。カスタム ベクトル — カスタム ベクトルを周波数ベクトルとして指定します。カスタム ベクトルの長さは入力信号のフレーム サイズと等しくなければなりません。
調整可能: Yes
依存関係
このパラメーターを有効にするには、[入力領域] を [周波数] に設定します。
プログラムでの使用
ブロック パラメーター: FrequencyVectorSource、FrequencyVector |
型: 文字ベクトル、string スカラー、double |
周波数領域入力の単位を選択します。このパラメーターにより、[推定] タブの [スペクトルの単位] パラメーターで別の表示単位を選択している場合にスペクトル アナライザーで周波数データをスケーリングできるようになります。
調整可能: Yes
依存関係
このパラメーターを有効にするには、[入力領域] を [周波数] に設定します。
プログラムでの使用
ブロック パラメーター: InputUnits |
| 型: 文字ベクトルまたは string スカラー |
周波数分解能
スペクトル推定法。次のいずれかを選択します。
フィルター バンク— 解析フィルター バンクを使用してパワー スペクトルを推定します。この手法は、ウェルチ法と比較して、ノイズ フロアが低く、周波数分解能が高く、スペクトル漏れが少なく、更新ごとに必要なサンプル数が少なくなります。ウェルチ— 平均修正ピリオドグラムのウェルチ法を使用します。
これらの手法の詳細については、アルゴリズムを参照してください。
調整可能: Yes
依存関係
このパラメーターを使用するには、[入力領域] を [時間] に設定します。
プログラムでの使用
ブロック パラメーター: Method |
| 型: 文字ベクトルまたは string スカラー |
R2024a 以降
スペクトル アナライザーの周波数分解能の方法。次のオプションのいずれかとして指定します。
RBW— アナライザーの周波数分解能 (Hz) が [RBW (Hz)] パラメーターで制御されます。周波数帯域の数— [推定法] を[フィルター バンク]に設定した場合にのみ適用されます。周波数分解能が [FFT 長] パラメーターで制御されます。ウィンドウの長さ— [推定法] を[ウェルチ]に設定した場合にのみ適用されます。周波数分解能が [ウィンドウの長さ] パラメーターで制御されます。
調整可能: Yes
依存関係
このパラメーターを有効にするには、[入力領域] を [時間] に設定します。
プログラムでの使用
ブロック パラメーター: FrequencyResolutionMethod |
| 型: 文字ベクトルまたは string スカラー |
プロトタイプ ローパス フィルターの鮮鋭度。範囲 [0,1] の実数の非負のスカラーとして指定します。
フィルターの鮮鋭度を上げると、スペクトル漏れが減少し、より精度の高いパワーの読み取り値が得られます。
調整可能: Yes
依存関係
このパラメーターを有効にするには、[推定法] を [フィルター バンク] に設定します。
プログラムでの使用
ブロック パラメーター: FilterSharpness |
型: double |
分解能帯域幅 (Hz) を指定します。このパラメーターでは、スコープで分解できる最小の正の周波数を定義します。既定の設定では、このパラメーターは [自動] に設定されます。この場合、スペクトル アナライザーは適切な値を特定し、指定された周波数スパンに 1024 の RBW 間隔が存在するようにします。
このパラメーターを [入力端子] に設定すると、ブロックの入力端子を通じて RBW 値を指定できます。
このパラメーターを数値に設定する場合、値は、指定した周波数スパンで少なくとも 2 つの RBW 間隔を許可しなければなりません。つまり、周波数スパン全体と RBW の比率は 2 より大きくなければなりません。
このプロパティをステータス バーに表示するには、ステータス バーの アイコンをクリックし、[RBW] を選択します。
プログラムでの使用
ブロック パラメーター: RBWSource、RBW |
型: 文字ベクトル、string スカラー、double |
調整可能: Yes
R2024a 以降
サンプルのウィンドウの長さ。2 より大きい整数として指定します。ウィンドウの長さは、ブロックでスペクトル推定の計算に使用されます。このパラメーターで周波数分解能が制御されます。
調整可能: Yes
依存関係
このパラメーターを有効にするには、次のように設定します。
[推定法] を
[ウェルチ]に。[分解能の方法] を
[ウィンドウの長さ]に。
プログラムでの使用
ブロック パラメーター: WindowLength |
型: double |
R2024a 以降
FFT 長は次のオプションのいずれかに設定できます。
自動–– 周波数分解能の方法の設定によって FFT 長の値が異なります。設定に応じて次のようになります。[分解能の方法] が
[RBW]の場合、FFT 長は更新ごとのサンプル数 Nsamples と等しくなります。Nsamples の詳細については、「アルゴリズム」のセクションを参照してください。[分解能の方法] が
[ウィンドウの長さ]の場合、FFT 長は [ウィンドウの長さ] パラメーターで指定する値と 1024 のどちらか大きい方と等しくなります。[分解能の方法] が
[周波数帯域の数]の場合、FFT 長は入力フレーム サイズ (行数) と等しくなります。
正の整数 — FFT 点の数が
FFTLengthプロパティで指定する値と等しくなります。
調整可能: Yes
依存関係
このパラメーターを有効にするには、次のように設定します。
[推定法] を
[ウェルチ]に。[推定法] を
[フィルター バンク]、[分解能の方法] を[周波数帯域の数]に。
プログラムでの使用
ブロック パラメーター: 、 |
型: 文字ベクトル、string スカラー、double |
平均化
平滑化方法。次のいずれかとして指定します。
VBW— ビデオ帯域幅の手法。ブロックは、ローパス フィルターを使用して、トレースを平滑化し、ノイズを減少させます。[VBW (Hz)] パラメーターを使用してビデオ帯域幅 (VBW) の値を指定します。指数— サンプルの加重平均。ブロックは、指数的に減衰する忘却係数で重み付けされたサンプルの平均を計算します。[忘却係数] パラメーターを使用して重み付け忘却係数を指定します。ランニング— 最後の Q 個のサンプルのランニング平均。[スペクトル平均] パラメーターを使用して Q を指定します。 (R2025a 以降)
平均化方法の詳細については、平均化方法を参照してください。
調整可能: Yes
依存関係
このパラメーターを有効にするには、[入力領域] を [時間] に設定します。
プログラムでの使用
ブロック パラメーター: AveragingMethod |
| 型: 文字ベクトルまたは string スカラー |
ビデオ帯域幅。次のいずれかとして指定します。S
Auto— 等価忘却係数が 0.9 になるようにスペクトル アナライザーで VBW が調整されます。入力端子— ブロックの VBW 入力端子における周波数ベクトルを指定します。正のスカラー — 正のスカラーを指定します。この値を使用してスペクトル アナライザーで VBW が調整されます。指定する値は、[サンプル レート (Hz)]/2 以下でなければなりません。
ビデオ帯域幅の手法の詳細については、平均化方法を参照してください。
スペクトル アナライザーでは、VBW 値が表示下部のステータス バーに表示されます。VBW 値を表示するには、ステータス バーの アイコンをクリックし、[VBW] を選択します。
依存関係
このパラメーターを有効にするには、次のように設定します。
[入力領域] を
[時間]。[平均化方法]を[VBW]。
プログラムでの使用
ブロック パラメーター: VBWSource、VBW |
型: double |
調整可能: Yes
指数加重平均法の忘却係数。範囲 [0,1] のスカラーとして指定します。
調整可能: Yes
依存関係
このパラメーターを有効にするには、次のように設定します。
[入力領域] を
[時間]。[平均化方法] を
[指数]。
プログラムでの使用
ブロック パラメーター: ForgettingFactor |
型: double |
R2025a 以降
スペクトル平均の数 Q を正の整数として指定します。
スペクトル アナライザーは、最後の Q 個のパワー スペクトル推定値のランニング平均を計算することによって、現在のパワー スペクトル推定値を計算します。
依存関係
このパラメーターを有効にするには、次のように設定します。
[入力領域] を
[時間]。[平均化方法] を
[ランニング]。
プログラムでの使用
ブロック パラメーター: SpectralAverages |
型: double |
データ型: double
周波数オプション
周波数スパン モード。次のいずれかとして指定します。
フル— スペクトル アナライザーは、ナイキスト周波数範囲全体のスペクトルを計算してプロットします。スパンと中心周波数— スペクトル アナライザーは、[スパン (Hz)] パラメーターと [中心周波数 (Hz)] パラメーターで指定された区間のスペクトルを計算してプロットします。開始および終了の周波数— スペクトル アナライザーは、[開始周波数 (Hz)] パラメーターと [終了周波数 (Hz)] パラメーターで指定された区間のスペクトルを計算してプロットします。
調整可能: Yes
依存関係
このパラメーターを有効にするには、[入力領域] を [時間] に設定します。
プログラムでの使用
ブロック パラメーター: FrequencySpan |
| 型: 文字ベクトルまたは string スカラー |
スペクトル アナライザーでスペクトルを計算してプロットする周波数スパン (Hz) を指定します。このパラメーターと [中心周波数 (Hz)] パラメーターで定義されるスパン全体がナイキスト周波数範囲の範囲内に収まらなければなりません。このパラメーターでは、スペクトル アナライザー ウィンドウの周波数軸に表示される値の範囲を定義します。
調整可能: Yes
依存関係
このパラメーターを有効にするには、次のように設定します。
[入力領域] を
[時間]。[周波数スパン] を
[スパンと中心周波数]。
プログラムでの使用
ブロック パラメーター: Span |
型: double |
スペクトル アナライザーでスペクトルを計算してプロットする周波数スパンの中心 (Hz) を指定します。このパラメーターを [スパン (Hz)] パラメーターと共に使用して、中心周波数の周波数スパンを定義します。このパラメーターでは、スペクトル アナライザー ウィンドウの周波数軸の中間点を定義します。
調整可能: Yes
依存関係
このパラメーターを有効にするには、次のように設定します。
[入力領域] を
[時間]。[周波数スパン] を
[スパンと中心周波数]。
プログラムでの使用
ブロック パラメーター: CenterFrequency |
型: double |
スペクトル アナライザーでスペクトルを計算してプロットする周波数範囲の開始周波数 (Hz) を指定します。このパラメーターと [終了周波数 (Hz)] パラメーターで定義されるスパン全体がナイキスト周波数範囲の範囲内に収まらなければなりません。このパラメーターでは、スペクトル アナライザー ウィンドウの周波数軸の左端の値を定義します。
調整可能: Yes
依存関係
このパラメーターを有効にするには、次のように設定します。
[入力領域] を
[時間]。[周波数スパン] を
[開始および終了の周波数]。
プログラムでの使用
ブロック パラメーター: StartFrequency |
型: double |
スペクトル アナライザーでスペクトルを計算してプロットする周波数範囲の終了周波数 (Hz) を指定します。このパラメーターと [開始周波数 (Hz)] パラメーターで定義されるスパン全体がナイキスト周波数範囲の範囲内に収まらなければなりません。このパラメーターでは、スペクトル アナライザー ウィンドウの周波数軸の右端の値を定義します。
調整可能: Yes
依存関係
このパラメーターを有効にするには、次のように設定します。
[入力領域] を
[時間]。[周波数スパン] を
[開始および終了の周波数]。
プログラムでの使用
ブロック パラメーター: StopFrequency |
型: double |
ウィンドウ オプション
スペクトルに適用されるウィンドウ処理法を指定します。ウィンドウ処理は、スペクトル推定におけるサイドローブの影響を制御するために使用されます。指定したウィンドウは、分解能帯域幅を得るために必要なウィンドウの長さと更新ごとに必要なサンプル数に影響します。ウィンドウ処理の詳細については、ウィンドウ (Signal Processing Toolbox)を参照してください。
[ウィンドウ] パラメーターでカスタム ウィンドウ関数の名前を直接指定して、独自のスペクトル推定ウィンドウを使用できます。
調整可能: Yes
依存関係
このパラメーターを有効にするには、次のように設定します。
[入力領域] を
[時間]。[推定法] を
[ウェルチ]に。
プログラムでの使用
ブロック パラメーター: Window、CustomWindow |
| 型: 文字ベクトルまたは string スカラー |
サイドローブの減衰 (dB)。45 以上のスカラーとして指定します。
調整可能: Yes
依存関係
このパラメーターを有効にするには、[ウィンドウ] を [チェビシェフ] または [カイザー] に設定します。
プログラムでの使用
ブロック パラメーター: SidelobeAttenuation |
型: double |
直前のバッファー データ セグメントと現在のバッファー データ セグメント間のオーバーラップ率。範囲 [0 100) のスカラーとして指定します。オーバーラップにより、スコープでスペクトル推定の計算に使用するウィンドウ セグメントが作成されます。この値は 0 以上 100 未満でなければなりません。
調整可能: Yes
依存関係
このパラメーターを有効にするには、次のように設定します。
[入力領域] を
[時間]。[推定法] を
[ウェルチ]に。
プログラムでの使用
ブロック パラメーター: OverlapPercent |
型: double |
[測定値] タブ
メモ
位相ノイズ測定の設定にアクセスするには、有効な Mixed-Signal Blockset™ ライセンスが必要です。
チャネル
測定値を取得する必要があるチャネル。範囲 [1 N] の正の整数として指定します。ここで、N は入力チャネルの数です。
調整可能: Yes
依存関係
このパラメーターを有効にするには、スコープからいくつかのデータを渡します。
プログラムでの使用
MeasurementChannel (DSP System Toolbox) を参照してください。
カーソル
[データ カーソル] ボタンをクリックすると、データ カーソルの測定が有効になります。各カーソルは信号に沿って垂直線上を移動します。スコープのカーソル間のボックスに、それらの 2 つのカーソル間の信号の x 値および y 値の差が表示されます。
調整可能: Yes
プログラムでの使用
Enabled (DSP System Toolbox) を参照してください。
ピーク
[ピークの検出] ボタンをクリックすると、ピークの検出の測定が有効になります。プロット上のそれぞれの最大値に矢印が表示され、スコープ ウィンドウの下部に [ピーク] パネルが表示されます。
調整可能: Yes
プログラムでの使用
Enabled (DSP System Toolbox) を参照してください。
ピークとそれに隣接するサンプルの間の高さの最小差。非負のスカラーとして指定します。
調整可能: Yes
プログラムでの使用
Threshold (DSP System Toolbox) を参照してください。
[ピークにラベル付け] ボタンをクリックすると、ピークにラベルが付けられます。スコープのプロットで、矢印の上にラベル ("P1"、"P2"…) が表示されます。
調整可能: Yes
プログラムでの使用
LabelPeaks (DSP System Toolbox) を参照してください。
歪み
[歪み] ボタンをクリックすると、歪みの測定が有効になります。このボタンをクリックすると、スコープ ウィンドウの下部に [歪み] パネルが表示されます。
調整可能: Yes
プログラムでの使用
Enabled (DSP System Toolbox) を参照してください。
測定する高調波の数。99 以下の正の整数として指定します。
調整可能: Yes
依存関係
このパラメーターを有効にするには、[歪みのタイプ] を [高調波] に設定します。
プログラムでの使用
NumHarmonics (DSP System Toolbox) を参照してください。
このパラメーターを選択すると、スペクトル アナライザーのスペクトル表示で高調波に数値ラベルが追加されます。
調整可能: Yes
プログラムでの使用
LabelValues (DSP System Toolbox) を参照してください。
このパラメーターを選択すると、スペクトル アナライザーの表示で 1 次相互変調積と 3 次周波数に数値ラベルが追加されます。
調整可能: Yes
プログラムでの使用
LabelValues (DSP System Toolbox) を参照してください。
位相ノイズ
位相ノイズ測定を有効にするには、[位相ノイズ] ボタンをクリックします。このボタンをクリックすると、スコープ ウィンドウに [位相ノイズ] 軸と [位相ノイズ] パネルが表示されます。
メモ
位相ノイズ測定の設定にアクセスするには、有効な Mixed-Signal Blockset ライセンスが必要です。
調整可能: Yes
プログラムでの使用
Enabled (DSP System Toolbox) を参照してください。
単調増加する値をもつ数値ベクトルとして位相ノイズをスコープが測定する周波数オフセット (Hz) を指定します。
調整可能: Yes
プログラムでの使用
FrequencyOffset (DSP System Toolbox) を参照してください。
ターゲット位相ノイズ プロファイルをプロットするには、このパラメーターを選択します。このプロファイルは、[ターゲット位相ノイズ (dBc/Hz)] パラメーターで指定できます。
調整可能: Yes
プログラムでの使用
PlotTargetPhaseNoise (DSP System Toolbox) を参照してください。
[周波数オフセット (Hz)] ベクトルと同じ長さの数値ベクトルとして、ターゲット位相ノイズ プロファイルを dBc/Hz 単位で指定します。
調整可能: Yes
依存関係
このパラメーターを有効にするには、[ターゲット位相ノイズのプロット] パラメーターを選択します。
プログラムでの使用
TargetPhaseNoise (DSP System Toolbox) を参照してください。
プロット上で測定された位相ノイズにラベルを付けるには、このパラメーターを選択します。このパラメーターを選択すると、スペクトル アナライザーは、プロット上の測定された位相ノイズ値に SN1、SN2 などのラベルを付けます。
調整可能: Yes
プログラムでの使用
LabelPhaseNoise (DSP System Toolbox) を参照してください。
[スペクトル] タブ
メモ
このタブは、[スコープ] タブで [スペクトル] を選択すると表示されます。
トレース オプション
このチェック ボックスをオンにすると、両側スペクトル ビューが有効になります。このビューでは、正と負の両方の周波数がスペクトル アナライザーで表示されます。入力信号が複素数値の場合、このパラメーターを選択しなければなりません。このチェック ボックスをオフにすると、スペクトル アナライザーで正の周波数のみの片側スペクトルが表示されます。この場合、入力信号データは実数値でなければなりません。
このチェック ボックスをオフにすると、スペクトル アナライザーでパワーの折り返しが使用されます。0 とナイキスト周波数を除き、y 軸の値はこのパラメーターを選択した場合の振幅の 2 倍になります。片側パワー スペクトル密度 (PSD) には、DC からナイキスト レートの半分までの周波数範囲内での信号の合計パワーが含まれます。詳細については、pwelch (Signal Processing Toolbox) を参照してください。
調整可能: Yes
プログラムでの使用
ブロック パラメーター: PlotAsTwoSidedSpectrum |
型: logical |
このチェック ボックスをオンにすると、スペクトル アナライザーでパワー スペクトル推定が計算されてプロットされます。スペクトル アナライザーでは、複数のスペクトル推定を平均化することで平滑化処理を実行します。スペクトルの計算は、このパラメーターをオフにしても継続されます。
調整可能: Yes
依存関係
このチェック ボックスをオフにするには、最初に [最大ホールド トレース] パラメーターまたは [最小ホールド トレース] パラメーターのいずれかを選択します。
このパラメーターを有効にするには、[スコープ] タブで [スペクトル] を選択します。
プログラムでの使用
ブロック パラメーター: PlotNormalTrace |
型: logical |
このチェック ボックスをオンにすると、スペクトル アナライザーですべての推定の最大スペクトル値をプロットできるようになります。スペクトル アナライザーでは、すべてのパワー スペクトル推定の最大値を維持することで各周波数ビンの最大ホールド スペクトルを計算します。このチェック ボックスをオフにすると、スペクトル アナライザーの最大ホールドの計算がリセットされます。
調整可能: Yes
依存関係
このパラメーターを有効にするには、[スコープ] タブで [スペクトル] を選択します。
プログラムでの使用
ブロック パラメーター: PlotMaxHoldTrace |
型: logical |
このチェック ボックスをオンにすると、スペクトル アナライザーですべての推定の最小スペクトル値をプロットできるようになります。スペクトル アナライザーでは、すべてのパワー スペクトル推定の最小値を維持することで各周波数ビンの最小ホールド スペクトルを計算します。このチェック ボックスをオフにすると、スペクトル アナライザーの最小ホールドの計算がリセットされます。
調整可能: Yes
依存関係
このパラメーターを有効にするには、[スコープ] タブで [スペクトル] を選択します。
プログラムでの使用
ブロック パラメーター: PlotMinHoldTrace |
型: logical |
スケール
周波数を表示するスケール。[線形] または [対数] として指定します。周波数スパンに負の周波数値が含まれているときは、対数オプションを選択できません。
調整可能: Yes
依存関係
[周波数スケール] を [対数] に設定するには、[スペクトル] タブまたは [スペクトログラム] タブの [トレース オプション] セクションで [両側スペクトル] チェック ボックスをオフにします (オンになっている場合)。[両側スペクトル] チェック ボックスをオンにすると、[周波数スケール] パラメーターは [線形] に設定されます。
プログラムでの使用
ブロック パラメーター: FrequencyScale |
| 型: 文字ベクトルまたは string スカラー |
スペクトル アナライザーでパワー値を計算する基準として使用する参照負荷 (Ω) を指定します。
調整可能: Yes
依存関係
このパラメーターを有効にするには、次のように設定します。
[スペクトル] のタイプを
[パワー]または[パワー密度]。
プログラムでの使用
ブロック パラメーター: ReferenceLoad |
型: double |
スペクトル アナライザーでパワー値を表示する単位。次のいずれかとして指定します。
dBmdBFSdBuV(R2023b 以降)dBVdBWVrmsWattsdBm/HzdBW/HzdBFS/HzWatts/Hz自動
調整可能: Yes
依存関係
使用可能な単位は、[スコープ] タブの [スペクトル] パラメーターで選択する値に依存します。
| [推定] タブ、[入力領域] パラメーター | [スコープ] タブ、[スペクトル] オプション | 使用可能な単位 |
|---|---|---|
時間 | パワー | dBm、dBW、dBFS、Watts |
パワー密度 | dBm/Hz、dBW/Hz、dBFS/Hz、Watts/Hz | |
RMS | dBuV (R2023b 以降)、dBV、Vrms | |
周波数 | ― | 自動、dBm、dBuV (R2023b 以降)、dBV、dBW、Vrms、Watts |
[入力領域] パラメーターを [周波数] に設定し、[スペクトルの単位] パラメーターを [自動] に設定した場合、スペクトル アナライザーはスペクトルの単位が [推定] タブ、[入力単位] パラメーターで指定された入力の単位と等しいものと仮定します。[入力領域] パラメーターを [時間] に設定し、[スペクトルの単位] パラメーターを [自動] 以外のいずれかのオプションに設定した場合、スペクトル アナライザーは [入力単位] パラメーターで指定された単位を [スペクトルの単位] パラメーターで指定された単位に変換します。
プログラムでの使用
ブロック パラメーター: SpectrumUnits |
| 型: 文字ベクトルまたは string スカラー |
デシベル フル スケール (dBFS) 単位に使用されるフル スケール。既定では、スペクトル アナライザーはスペクトル スケール全体を使用します。dBFS フル スケールに対して正の実数のスカラーを指定します。
調整可能: Yes
依存関係
このパラメーターは次の場合に有効になります。
[スコープ] タブで、スペクトルのタイプを
[パワー]または[パワー密度]に設定する。[推定] タブで、[入力領域] を
[時間]に設定する。[スペクトル] タブで、[スペクトルの単位] を
[dBFS]または[dBFS/Hz](スペクトルのタイプが[パワー密度]に設定されている場合) に設定する。
プログラムでの使用
ブロック パラメーター: FullScale |
型: double |
[スペクトログラム] タブ
メモ
このタブは、[スコープ] タブで [スペクトログラム] を選択すると表示されます。
チャネル
スペクトログラムの設定が適用される信号チャネルを選択します。
調整可能: Yes
依存関係
このパラメーターを有効にするには、[スコープ] タブで [スペクトログラム] を選択します。
プログラムでの使用
ブロック パラメーター: SpectrogramChannel |
型: 文字ベクトル、string スカラー、double |
時間オプション
時間分解能は、スペクトログラム ラインの計算に使用されるデータ量 (秒単位) です。達成可能な最小分解能は、単一のスペクトル推定の計算に必要な時間です。ツールヒントに、スペクトル アナライザーの現在の設定に基づく達成可能な最小分解能が表示されます。
[RBW (Hz)] と [時間分解能 (秒)] を [自動] に設定すると、1 つの周波数スパンに 1024 の RBW 間隔が存在するようにスペクトル アナライザーで RBW 値が調整され、時間分解能は 1/RBW に設定されます。
[RBW (Hz)] を [自動] に設定し、[時間分解能 (秒)] を正のスカラーに設定すると、時間分解能が制御の中心となり、RBW は 1/[時間分解能 (秒)] Hz に設定されます。
[RBW (Hz)] を正のスカラーに設定し、[時間分解能 (秒)] を [自動] に設定すると、RBW が制御の中心となり、時間分解能は 1/[RBW (Hz)] 秒に設定されます。
[RBW (Hz)] と [時間分解能 (秒)] を正の値に設定する場合、時間分解能は 1/[RBW (Hz)] で定義される達成可能な最小時間分解能以上でなければなりません。いくつかのスペクトル推定が 1 つのスペクトログラム ラインにまとめられ、目的の時間分解能が得られます。1/[RBW (Hz)] の整数倍でない時間分解能の値を得るには内挿が使用されます。
調整可能: Yes
依存関係
このパラメーターを有効にするには、[スコープ] タブで [スペクトログラム] を選択し、[推定] タブで [入力領域] を [時間] に設定します。
プログラムでの使用
ブロック パラメーター: TimeResolutionSource、TimeResolution |
型: 文字ベクトル、string スカラー、double |
スペクトル アナライザーでスペクトログラムを表示する時間範囲 (秒)。正のスカラーとして指定します。時間範囲は目的のスペクトル線数と時間分解能の積です。このパラメーターを [自動] に設定すると、常に 100 のスペクトログラム ラインがスペクトログラムに表示されます。それ以外の場合は、このパラメーターで指定する持続時間がスペクトログラムで使用されます。指定する時間範囲は、スペクトルの更新に必要なサンプル数の持続時間の少なくとも 2 倍でなければなりません。
調整可能: Yes
依存関係
このパラメーターを有効にするには、[スコープ] タブで [スペクトログラム] を選択し、[推定] タブで [入力領域] を [時間] に設定します。
プログラムでの使用
ブロック パラメーター: TimeSpanSource、TimeSpan |
型: 文字ベクトル、string スカラー、double |
Two-Sided Spectrum の詳細については、[スペクトル] タブの「トレース オプション」を参照してください。
[スペクトル マスク] タブ
メモ
このタブは、[スコープ] タブで [スペクトル] を選択し、[スペクトル] のタイプを [パワー] または [パワー密度] に設定すると表示されます。
ビュー
[マスクの上限] を選択すると、スペクトル プロットにマスクの上限が表示されます。スペクトル アナライザー ウィンドウの下部に [スペクトル マスク] パネルが表示され、マスクに成功した回数、マスクに失敗した回数、マスクの失敗の原因となったチャネルなどのマスクの詳細が表示されます。
[上限] パラメーターを使用してマスクの上限を指定します。スペクトル プロット全体がマスクの上限を下回っていれば、マスクの上限は緑になります。それ以外の場合は、いずれもマスクの上限が赤になります。
調整可能: Yes
プログラムでの使用
EnabledMasks (DSP System Toolbox) を参照してください。
[マスクの下限] を選択すると、スペクトル プロットにマスクの下限が表示されます。スペクトル アナライザー ウィンドウの下部に [スペクトル マスク] パネルが表示され、マスクに成功した回数、マスクに失敗した回数、マスクの失敗の原因となったチャネルなどのマスクの詳細が表示されます。
[下限] パラメーターを使用してマスクの下限を指定します。スペクトル プロット全体がマスクの下限を上回っていれば、マスクの下限は緑になります。それ以外の場合は、いずれもマスクの下限が赤になります。
調整可能: Yes
プログラムでの使用
EnabledMasks (DSP System Toolbox) を参照してください。
構成
スペクトル マスクの上限。スカラーまたは 2 列の行列として指定します。
UpperMask がスカラーの場合、スペクトル アナライザーで指定されるすべての周波数に対して、マスクの上限で同じパワー値が使用されます。
行列を指定する場合は、x 軸の値に対応する周波数値 (Hz) を 1 列目に格納します。関連付けられた y 軸の値に対応するパワー値を 2 列目に格納します。
パワーと周波数の値にオフセットを適用するには、[参照レベル (dBr)] パラメーターと [周波数オフセット (Hz)] パラメーターを使用します。
調整可能: Yes
プログラムでの使用
UpperMask (DSP System Toolbox) を参照してください。
スペクトル マスクの下限。スカラーまたは 2 列の行列として指定します。
LowerMask がスカラーの場合、スペクトル アナライザーで指定されるすべての周波数に対して、マスクの下限で同じパワー値が使用されます。
行列を指定する場合は、x 軸の値に対応する周波数値 (Hz) を 1 列目に格納します。関連付けられた y 軸の値に対応するパワー値を 2 列目に格納します。
パワーと周波数の値にオフセットを適用するには、[参照レベル (dBr)] パラメーターと [周波数オフセット (Hz)] パラメーターを使用します。
調整可能: Yes
プログラムでの使用
LowerMask (DSP System Toolbox) を参照してください。
マスクのパワー値の基準レベル。数値スカラーとして指定するか、[スペクトル ピーク] に設定します。
[参照レベル (dBr)] をスカラー値に設定すると、スペクトル アナライザーのマスクの上限とマスクの下限で、この値がパワー値 (dBr) の基準として使用されます。基準レベルの単位は [スペクトル] タブの [スペクトルの単位] パラメーターと同じでなければなりません。
[参照レベル (dBr)] を [スペクトル ピーク] に設定すると、スペクトル アナライザーで [スペクトル マスク] タブの [チャネル] の現在のスペクトルのピーク値が基準パワー値として使用されます。
調整可能: Yes
プログラムでの使用
ReferenceLevel (DSP System Toolbox) および CustomReferenceLevel (DSP System Toolbox) を参照してください。
スペクトル アナライザーでマスクの基準レベルの判別に使用する入力チャネルを選択します。[参照レベル (dBr)] パラメーターを [スペクトル ピーク] に設定した場合、このチャネルにおけるスペクトルのピーク値がマスクの基準レベルになります。
調整可能: Yes
依存関係
このパラメーターを有効にするには、[参照レベル (dBr)] を [スペクトル ピーク] に設定し、スコープでいくつかのデータを表示します。
プログラムでの使用
SelectedChannel (DSP System Toolbox) を参照してください。
周波数オフセット (Hz)。有限の数値スカラーとして指定します。スペクトル アナライザーで、この値を使用して [マスクの上限] パラメーターと [マスクの下限] パラメーターの周波数値がオフセットされます。
調整可能: Yes
プログラムでの使用
MaskFrequencyOffset (DSP System Toolbox) を参照してください。
[チャネル測定] タブ
メモ
このタブは、[スコープ] タブで [スペクトル] を選択すると表示されます。
チャネル
スペクトル アナライザーで占有帯域幅と隣接チャネル電力比を計算して表示するチャネル。範囲 [1 N] の正の整数として指定します。ここで、N は入力チャネルの数です。
調整可能: Yes
依存関係
このパラメーターを有効にするには、スコープからデータを渡します。
プログラムでの使用
MeasurementChannel (DSP System Toolbox) を参照してください。
チャネル測定
表示する測定データのタイプ。[占有帯域幅] または [隣接チャネル電力比] として指定します。
調整可能: Yes
プログラムでの使用
Type (DSP System Toolbox) を参照してください。
スペクトル アナライザーで占有帯域幅を計算するパワーの割合。正のスカラーとして指定します。
調整可能: Yes
依存関係
このパラメーターを有効にするには、[タイプ] を [占有帯域幅] に設定します。
プログラムでの使用
PercentOccupiedBW (DSP System Toolbox) を参照してください。
周波数オプション
周波数スパン モード。次のいずれかとして指定します。
スパンと中心周波数— [スパン (Hz)] で指定された周波数範囲および [中心周波数 (Hz)] で指定された周波数値周辺について測定します。開始および終了の周波数— [開始周波数 (Hz)] から [終了周波数 (Hz)] までの周波数範囲について測定します。
調整可能: Yes
プログラムでの使用
FrequencySpan (DSP System Toolbox) を参照してください。
スペクトル アナライザーでチャネル測定を計算する周波数スパン (Hz)。正のスカラーとして指定します。
調整可能: Yes
依存関係
このパラメーターを有効にするには、[周波数スパン] を [スパンと中心周波数] に設定します。
プログラムでの使用
Span (DSP System Toolbox) を参照してください。
オブジェクトでチャネル測定を計算するスパンの中心周波数 (Hz)。実数のスカラーとして指定します。
調整可能: Yes
依存関係
このパラメーターを有効にするには、[周波数スパン] を [スパンと中心周波数] に設定します。
プログラムでの使用
CenterFrequency (DSP System Toolbox) を参照してください。
スペクトル アナライザーでチャネル測定を計算する開始周波数 (Hz) を指定します。
調整可能: Yes
依存関係
このパラメーターを有効にするには、[周波数スパン] を [開始および終了の周波数] に設定します。
プログラムでの使用
StartFrequency (DSP System Toolbox) を参照してください。
スペクトル アナライザーでチャネル測定を計算する終了周波数 (Hz) を指定します。
調整可能: Yes
依存関係
このパラメーターを有効にするには、[周波数スパン] を [開始および終了の周波数] に設定します。
プログラムでの使用
StopFrequency (DSP System Toolbox) を参照してください。
隣接チャネル
隣接チャネル ペアの数。範囲 [1, 12] の正の整数として指定します。
調整可能: Yes
依存関係
このパラメーターを有効にするには、[タイプ] を [隣接チャネル電力比] に設定します。
プログラムでの使用
NumOffsets (DSP System Toolbox) を参照してください。
メイン チャネルの中心周波数に対する隣接チャネルの周波数。[ペア数] で指定されたオフセット ペアの数と等しい長さの実数のベクトルとして指定します。
調整可能: Yes
依存関係
このパラメーターを有効にするには、[タイプ] を [隣接チャネル電力比] に設定します。
プログラムでの使用
ACPROffsets (DSP System Toolbox) を参照してください。
隣接チャネルの帯域幅 (Hz)。正のスカラーとして指定します。
調整可能: Yes
依存関係
このパラメーターを有効にするには、[タイプ] を [隣接チャネル電力比] に設定します。
プログラムでの使用
AdjacentBW (DSP System Toolbox) を参照してください。
メイン チャネルと隣接チャネルのフィルターの形状。[なし]、[RRC]、または [ガウス] として指定します。
調整可能: Yes
依存関係
このパラメーターを有効にするには、[タイプ] を [隣接チャネル電力比] に設定します。
プログラムでの使用
FilterShape (DSP System Toolbox) を参照してください。
ロールオフ係数。範囲 [0, 1] の実数のスカラーとして指定します。
調整可能: Yes
依存関係
このパラメーターを有効にするには、[タイプ] を [隣接チャネル電力比]、[フィルターの形状] を [RRC] に設定します。
プログラムでの使用
FilterCoeff (DSP System Toolbox) を参照してください。
BT 積。範囲 [0, 1] の実数のスカラーとして指定します。
調整可能: Yes
依存関係
このパラメーターを有効にするには、[タイプ] を [隣接チャネル電力比]、[フィルターの形状] を [ガウス] に設定します。
プログラムでの使用
FilterCoeff (DSP System Toolbox) を参照してください。
プロパティ インスペクターのみ
入力チャネルの名前。文字ベクトル、string、または配列として指定します。名前は凡例、[設定] パネル、[測定値] パネルに表示されます。名前を指定しない場合、スコープではチャネルに Channel 1、Channel 2 のようなラベルが付けられます。
例: ["A","B"]
依存関係
チャネルの名前を確認するには、[スコープ] タブで [凡例] を選択します。
プログラムでの使用
ブロック パラメーター: ChannelNames |
| 型: 文字ベクトルの cell 配列または string 配列 |
Auto— [タイトル] と [Y ラベル] を指定していない場合、スコープですべてのプロットが最大化されます。On— スコープですべてのプロットが最大化され、[タイトル] と [Y ラベル] のすべての値が非表示になります。Off— スコープでプロットが最大化されません。
スペクトル アナライザーにカーソルを合わせると、[座標軸の最大化] ボタン
が表示されます。
調整可能: あり
プログラムでの使用
ブロック パラメーター: MaximizeAxes |
| 型: 文字ベクトルまたは string スカラー |
OnceAtStop— シミュレーションの完了後に y 軸をスケーリングします。Manual— [Y 軸の範囲をスケール] ツール バー ボタンを使用して y 軸の範囲を手動でスケーリングします。Auto— シミュレーションの実行中および実行後に y 軸の範囲をスケーリングします。Updates— 更新回数テキスト ボックスで指定されたタイム ステップ回数 (既定では100) の後に y 軸をスケーリングします。スケーリングは、各実行中に 1 回だけ行われます。
調整可能: Yes
プログラムでの使用
ブロック パラメーター: AxesScaling |
| 型: 文字ベクトルまたは string スカラー |
y 軸の自動スケーリングを遅らせる場合は、このプロパティを設定します。
調整可能: Yes
依存関係
このプロパティを有効にするには、座標軸のスケーリングを [更新] に設定します。
プログラムでの使用
ブロック パラメーター: AxesScalingNumUpdates |
| 型: 文字ベクトルまたは string スカラー |
| 値: スカラー |
ブロックの特性
データ型 |
|
直達 |
|
多次元信号 |
|
可変サイズの信号 |
|
ゼロクロッシング検出 |
|
詳細
信号に沿って移動する縦方向の波型カーソルを使用して信号値を測定します。
スペクトル アナライザーの [測定値] タブで [データ カーソル] ボタンをクリックすると、スペクトル表示で各信号に縦方向のカーソルが表示されます。各カーソルは信号に沿って垂直線上を移動します。スコープのカーソル間のボックスに、それらの 2 つのカーソル間の信号の x 値および y 値の差が表示されます。
カーソルの測定を有効にするには、[測定値] タブで [データ カーソル] ボタンをクリックします。カーソルは、スペクトル アナライザーの表示に信号が少なくとも 1 つある場合のみ表示されます。
マウスを使用して縦方向のカーソルを左右に移動できます。
[測定値] タブで、[データ カーソル] のドロップダウン矢印をクリックして次のオプションのいずれかを選択します。
データにスナップ — 信号のデータ点にカーソルを置きます。
カーソル間隔のロック — 2 つのカーソル間の周波数の差を固定します。
カーソルの測定のプログラムでの変更については、CursorMeasurementsConfiguration (DSP System Toolbox) オブジェクトを参照してください。
スコープ表示でピーク値を計算して表示します。
スペクトル アナライザーの [測定値] タブで [ピークの検出] ボタンをクリックすると、プロット上のそれぞれの最大値に矢印が表示され、スコープ ウィンドウの下部に [ピーク] パネルが表示されます。スペクトル アナライザーで、スコープに現在表示されている入力信号の部分からピークが計算され、そのピーク値とそれが発生する周波数が [ピーク] パネルに表示されます。
[測定値] タブの [ピーク] セクションで、スコープで表示するピークの数、スコープでピークを検出する最小の高さ、ピーク間の最小距離を指定したり、ピークにラベルを付けたりできます。
スペクトル アナライザーのアルゴリズムでは、ピークは局所的最大値であり、その両側にそれよりも低い値があると定義されます。端点はピークとは見なされません。アルゴリズムの詳細については、関数 findpeaks (Signal Processing Toolbox) を参照してください。
ピークはどの単位の入力信号に対しても有効です。各測定値に関連付けられた値の後にある文字は適切な国際単位系 (SI) の接頭辞の省略形を表します ("m" は "ミリ" を表すなど)。たとえば、入力信号がボルト単位で測定された場合、測定値の横にある m は値がミリボルト単位であることを示します。
ピークの検出の測定のプログラムでの変更については、PeakFinderConfiguration (DSP System Toolbox) オブジェクトを参照してください。これらの UI での設定の詳細については、ピーク (DSP System Toolbox)を参照してください。
高調波歪みおよび相互変調歪みを測定します。
[測定値] タブの [歪み] セクションで [歪み] ボタンをクリックすると、スペクトル アナライザー ウィンドウの下部に [歪み] パネルが開きます。このパネルには、スコープに現在表示されている入力信号についての高調波と歪みの測定値が表示されます。[測定値] タブの [歪み] セクションで、歪みのタイプや高調波の数を指定したり、高調波にラベルを付けたりできます。
メモ
正確な測定のために、基本信号 (高調波の場合) または主要トーン (相互変調の場合) がスプリアス成分または高調波成分より大きくなるようにします。そのためには、スペクトル アナライザーの分解能帯域幅 (RBW) の調整が必要になる場合があります。帯域幅が信号と高調波をスプリアス ノイズ成分から分離できる程度に低いことを確認してください。一般に RBW 値は、正弦波とノイズ フロアのピーク間の間隔が少なくとも 10 dB になるように設定しなければなりません。また、有効な測定値を取得するために異なるスペクトル ウィンドウを選択することが必要になる場合もあります。
[歪みのタイプ] パラメーターは次の値のいずれかに設定できます。
高調波–– 入力が単一正弦波の場合は[高調波]を選択します。相互変調–– 入力が振幅の等しい 2 つの正弦波の場合は[相互変調]を選択します。相互変調は、利用できる帯域幅の一部のみをスコープで使用する場合に歪みを特定するのに役立ちます。
歪み測定の計算方法の詳細については、歪みの測定 (DSP System Toolbox)を参照してください。
[歪みのタイプ] を [高調波] に設定すると、スペクトル アナライザー ウィンドウ下部の [高調波歪み] パネルに次のフィールドが表示されます。
H1 — 基本周波数 (Hz 単位) とその電力 (dBm 単位)。dBm は 1 mW を基準とした測定電力のデシベル。
H2、H3、... — 高調波周波数 (Hz 単位) とその電力 (dBc 単位)。dBc は搬送波に対するデシベル。高調波が基本周波数と同じレベルであるか、基本周波数を超える場合は、入力電力を減らします。
THD — 全高調波歪み。この値は、高調波の電力 D と基本周波数の電力 S の比率を表します。高調波に対してノイズ パワーが高すぎる場合、THD 値は正確でなくなります。この場合は、分解能帯域幅を小さくするか、異なるスペクトル ウィンドウを選択します。
SNR — S/N 比 (SNR)。この値は、基本周波数の電力 S と高調波以外のすべての成分の電力 N (スプリアス信号を含む) の比率を dBc (搬送波に対するデシベル) 単位で表します。
レポートされた SNR として
––が表示されている場合、信号の高調波以外の全成分は信号全体の 30% 未満です。SINAD — 信号対ノイズおよび歪み比。この値は、基本周波数の電力 S とその他すべての成分 (ノイズ N および高調波歪み D を含む) の比率を dBc (搬送波に対するデシベル) 単位で表します。
SFDR — スプリアスフリー ダイナミック レンジ (SFDR)。この値は、基本周波数の電力 S と最大のスプリアス信号の電力 R (周波数スペクトルのどの位置にあるかは問わない) の比率を表します。最悪のスプリアス信号は、元の信号の高調波である場合も、そうでない場合もあります。SFDR は、大きな干渉信号と区別できる信号の最小値を表します。SFDR には高調波が含まれます。
高調波歪み測定では、最大の正弦波成分 (基本信号周波数) が自動的に特定されます。その後、信号の各高調波の高調波周波数および電力が計算され、DC 成分は無視されます。スペクトル アナライザーの周波数スパンの外側の高調波は測定に含まれません。目的の高調波がすべて含まれるように周波数スパンを調整してください。
メモ
最適な高調波を表示するには、基本周波数が高調波を分解できる程度に高く設定されていることを確認します。ただし、この周波数はエイリアシングが発生するほど高く設定しないでください。高調波歪みの最適な表示のためには、プロットに周波数漏れを示すスカートが表示されないようにします。ノイズ フロアは表示されるようにします。
より適切に表示するには、サイドローブの減衰量を大きくした (100 ~ 300 dB) カイザー ウィンドウを試してください。

[歪みのタイプ] を [相互変調] に設定すると、スペクトル アナライザー ウィンドウ下部の [相互変調歪み] パネルに次のフィールドが表示されます。
F1 — 下側基本 1 次周波数。
F2 — 上側基本 1 次周波数。
2F1 - F2 — 3 次高調波からの下側相互変調積。
2F2 - F1 — 3 次高調波からの上側相互変調積。
TOI — 3 次インターセプト ポイント。高調波に対してノイズ パワーが高すぎる場合、TOI 値は正確でなくなります。この場合は、分解能帯域幅を小さくするか、異なるスペクトル ウィンドウを選択しなければなりません。TOI の振幅が入力 2 トーン信号と同じである場合は、その入力信号の電力を減らします。
相互変調歪み測定では、基本波の 1 次周波数 (F1 および F2) が自動的に特定されます。その後、3 次相互変調積 (2F1−F2 および 2F2−F1) の周波数が計算されます。
歪みの測定のプログラムでの変更については、DistortionMeasurementsConfiguration (DSP System Toolbox) オブジェクトを参照してください。これらの UI での設定の詳細については、歪み (DSP System Toolbox)を参照してください。
占有帯域幅または隣接チャネル電力比 (ACPR) を測定します。
[チャネル測定] タブで [チャネル測定] ボタンをクリックすると、スペクトル アナライザー ウィンドウの下部に [チャネル測定] パネルが開きます。このパネルには、占有帯域幅または隣接チャネル電力比 (ACPR) の測定が表示されます。[チャネル測定] タブで、占有帯域幅または ACPR の設定、周波数スパン、中心周波数、開始および終了の周波数を指定できます。
チャネル測定の [タイプ] として次を選択できます。
占有帯域幅–– 占有帯域幅隣接チャネル電力比–– メイン チャネルの電力と隣接チャネルの電力の比
スペクトル アナライザーでの占有帯域幅の計算方法の詳細については、占有帯域幅を参照してください。
占有帯域幅
計算して表示するチャネル測定の [タイプ] を [占有帯域幅] に設定すると、スコープ ウィンドウの測定値パネルに次のフィールドが表示されます。
チャネル電力 — チャネルの電力合計
占有帯域幅 — スペクトルの電力合計の指定された [占有帯域幅 (%)] を含む帯域幅。
周波数エラー — 占有帯域の中心とチャネルの中心周波数 ([中心周波数 (Hz)]) の差
隣接チャネル電力比
計算して表示するチャネル測定の [タイプ] を [隣接チャネル電力比] に設定すると、スコープ ウィンドウの下部の測定値パネルに次のフィールドが表示されます。
下側 (Rel Power (dBc)) — 下側波帯の電力とメイン チャネルの電力の比
上側 (Rel Power (dBc)) –– 上側波帯の電力とメイン チャネルの電力の比
チャネルの測定をプログラムで変更するには、ChannelMeasurementsConfiguration (DSP System Toolbox) オブジェクトを参照してください。これらの UI での設定の詳細については、チャネル測定を参照してください。
スペクトル制限を可視化し、スペクトル値を仕様値と比較します。
スペクトル制限を可視化し、スペクトル値を仕様値と比較するには、スペクトル アナライザーに上位のマスクと下位のマスクを追加します。[スペクトル マスク] タブを有効にするには、[スコープ] タブで [スペクトル] を選択します。[スペクトル マスク] タブで [マスクの上限] ボタンおよび [マスクの下限] ボタンをクリックすると、スペクトル アナライザー ウィンドウの下部に [スペクトル マスク] パネルが開きます。このパネルでは、マスクの成功と失敗の統計、現在失敗または成功しているマスクの名前、失敗の原因となったチャネルの名前についての情報が提供されます。
[スペクトル マスク] タブでマスクの設定を変更できます。これらの UI での設定の詳細については、スペクトル マスクを参照してください。チャネルの測定のプログラムでの変更については、SpectralMaskConfiguration (DSP System Toolbox) オブジェクトを参照してください。
スペクトル マスクのステータスは、関数 getSpectralMaskStatus (DSP System Toolbox) を使用して確認できます。この関数は、マスクに成功した回数と失敗した回数、マスクの失敗の原因となったチャネルの名前などの詳細を提供します。
MaskTestFailed イベントを使用して、マスクが失敗するたびにアクションを実行することもできます。マスクが失敗したときに関数をトリガーするには、MaskTestFailed イベントに対するリスナーを作成し、それをトリガーするコールバック関数を定義します。イベントの使用の詳細については、イベントを参照してください。
スペクトル アナライザーで構成とスタイルの設定を行います。
表示やラベル、色、スタイルの設定を制御するには、スペクトル アナライザーのツールストリップの [スコープ] タブで [設定] (
) をクリックします。
開いたダイアログ ボックスで、フォント サイズ、プロット タイプ、スペクトル プロットの y 軸のプロパティ、スペクトログラム プロットのカラーマップのプロパティをカスタマイズできます。スペクトル プロット、背景、座標軸、およびラベルの色を変更できるほか、ラインのプロパティも変更できます。
スペクトルまたはスペクトログラムを表示すると、それぞれに関連するオプションのみが表示されます。それらのオプションの詳細については、[構成]、[スペクトル設定] (DSP System Toolbox) を参照してください。
表示コントロールを使用して座標軸をズームおよびパンします。
プロットの座標軸をスケーリングするには、マウスを使用して座標軸をパンし、マウスのスクロール ボタンを使用してプロットをズームインおよびズームアウトします。さらに、プロット ウィンドウにカーソルを合わせると表示されるボタンも使用できます。
— 座標軸を最大化し、すべてのラベルを非表示にして座標軸の値を挿入します。
— プロットにズームインします。
— プロットをパンします。
— 表示されているデータに合わせて座標軸をオートスケールします。
ヒント
[平均化方法] を [VBW] または [指数] に設定し、データに NaN または Inf 値を入れた場合、スペクトルは空白で表示されます。NaN または Inf 値を無視するには、次のようにします。
MATLAB® ツールストリップの [ホーム] タブ、[環境] セクションで、[設定] (
) をクリックします。[設定] ダイアログ ボックスの [ワークスペース] セクションで、[統計量の計算で NaN を無視] チェック ボックスをオンにします。
アルゴリズム
[フィルター バンク] 法を選択すると、スペクトル アナライザーはパワー スペクトル推定に解析フィルター バンクを使用します。
フィルター バンクはサンプル レート fs の広帯域の入力信号 x(n) をサンプル レート fs/M の複数の狭帯域信号 y0(m)、y1(m)、…、yM-1(m) に分割します。
変数 M はフィルター バンク内の周波数帯域の数を表します。スペクトル アナライザーでは、M は、指定された RBW 値と 1024 のどちらか大きい方の値の達成に必要なデータ点の数と等しくなります。解析フィルター バンクおよびその実装の詳細については、dsp.Channelizer オブジェクトのMore About (DSP System Toolbox)およびAlgorithm (DSP System Toolbox)のセクションを参照してください。
スペクトル アナライザーは、広帯域入力信号を複数の狭帯域に分割した後、次の式を使用して各狭周波数帯域の電力を計算します。各 Zi 値はその狭周波数帯域の推定電力です。
L は狭帯域信号の長さ yi(m) で、i = 1、2、…、M−1 です。
すべての狭周波数帯域の電力値 (Zi で表される) は Z ベクトルを形成します。
スペクトル アナライザーは、移動平均法 (ビデオ帯域幅、指数の重み付け、またはランニング) のいずれかを使用して、現在の Z ベクトルを以前の Z ベクトルと平均化します。平均化演算の出力はスペクトル推定ベクトルを形成します。2 つの平均化方法の詳細については、平均化方法を参照してください。

スペクトル アナライザーは [RBW (Hz)] パラメーターまたは [周波数帯域の数] パラメーターで指定された値を使用して、入力フレーム長を特定します。
[分解能の方法] を [RBW] に指定した場合、[RBW (Hz)] の設定に応じて次のようになります。
自動–– スペクトル アナライザーは適切な分解能帯域幅を特定し、指定された周波数スパンに 1024 の RBW 間隔が必ず存在するようにします。[RBW (Hz)] を[自動]に設定した場合、スペクトル アナライザーは次の方程式を使用して RBW を計算します。スカラー値 –– スペクトル アナライザーは次の方程式を使用してサンプル数 Nsamples を計算します。
Fs は入力信号のサンプル レートです。[サンプル レート (Hz)] プロパティで指定します。
指定した周波数スパンに少なくとも 2 つの RBW 間隔が存在するように、RBW 値を指定しなければなりません。スパン全体と RBW の比率は 2 より大きくなければなりません。
span は、スペクトル アナライザーがスペクトルを計算してプロットする周波数スパンです。スコープで [スパン (Hz)] を確認するには、スペクトル アナライザーのツールストリップの [推定] タブをクリックし、[周波数オプション] セクションに移動します。このプロパティを有効にするには、[周波数スパン] を
[スパンと中心周波数]に設定します。
[分解能の方法] を [周波数帯域の数] に指定した場合、結果の RBW は次で求められます。
入力サンプル数が、指定された分解能帯域幅を得るには十分でない場合、スペクトル アナライザーは提供された入力サンプルの数に応じて RBW 値を調整し、次のようなメッセージを表示します。このメッセージは、十分な入力サンプルをスペクトル アナライザーに提供すると削除されます。

[ウェルチ] 法を選択すると、パワー スペクトル推定には平均修正ピリオドグラムが使用されます。
スペクトル アナライザーのアルゴリズムは次の手順で構成されます。
ブロックで入力を N 点のデータ セグメントにバッファーします。各データ セグメントは P 個のオーバーラップするデータ セグメントに分割されます。それぞれの長さは M で、D 個の点でオーバーラップします。データ セグメントは次のように表現できます。
D = M/2 の場合、オーバーラップは 50% です。
D = 0 の場合、オーバーラップは 0% です。
時間領域で P 個のオーバーラップするデータ セグメントのそれぞれにウィンドウを適用します。
[分解能の方法] を
[ウィンドウの長さ]に設定した場合、[推定] タブの [ウィンドウの長さ] パラメーターを使用してデータ ウィンドウの長さ Nwindow を指定できます。[分解能の方法] を
[RBW]に設定した場合、アルゴリズムで方程式 を使用してデータ ウィンドウの長さが特定されます。その後、ウィンドウを適用した複数のデータ セグメントに入力信号を分割します。
ほとんどのウィンドウ関数では、データ セットの端のデータよりも中心のデータへの影響が大きく、これは情報の損失を表します。その損失を軽減するために、一般に個々のデータ セットが時間でオーバーラップされます。ウィンドウを適用した各セグメントについて、離散フーリエ変換を計算することでピリオドグラムを計算します。その後、結果の二乗振幅を計算し、結果を M で除算します。
ここで、U はウィンドウ関数のパワーの正規化係数であり、次で求められます。
ウィンドウを指定するには、スペクトル アナライザーのツールストリップの [推定] タブで [ウィンドウ] パラメーターを使用します。
スペクトル アナライザーで修正 "ピリオドグラム" 推定器を使用して、パワー スペクトル、パワー スペクトル密度、および RMS を計算してプロットします。ピリオドグラム法の詳細については、
periodogram(Signal Processing Toolbox) を参照してください。ウェルチ法のパワー スペクトル推定を特定するために、スペクトル アナライザーでは、最後の P 個のデータ セグメントについてピリオドグラムの結果が平均化されます。この平均化により、元の N 点のデータ セグメントと比較して分散が少なくなります。平均化の詳細については、平均化方法を参照してください。
スペクトル アナライザーで次を使用してパワー スペクトル密度を計算します。
パワー スペクトルはパワー スペクトル密度と分解能帯域幅の積であり、次の式で求められます。
スペクトル アナライザーでは、スペクトル推定を計算するために特定の数のサンプルを使用します。この値は、次の方程式を使用して分解能帯域幅 (RBW) に直接関連付けられます。
ここで、Op はオーバーラップ率、NENBW は正規化された有効ノイズ帯域幅、Fs は入力サンプル レート、RBW は分解能帯域幅です。
スペクトル アナライザーでは、更新ごとのサンプル数がスペクトル アナライザーのステータス バーに表示されます。
[分解能の方法] を [RBW] に指定した場合、ウィンドウの長さは次で求められます。
[分解能の方法] を [ウィンドウの長さ] に指定した場合、スペクトル アナライザーのツールストリップの [推定] タブで [ウィンドウの長さ] パラメーターを使用して指定したウィンドウの長さの値がアルゴリズムで使用されます。
オーバーラップ率 Op は [Overlap (%)] プロパティで指定する値です。スコープで [オーバーラップ (%)] を確認するには、スペクトル アナライザーのツールストリップの [推定] タブをクリックし、[ウィンドウ オプション] セクションに移動します。
オーバーラップ率を増やすと、スペクトル アナライザーが新しいスペクトルの更新を計算するために必要とする新しい入力サンプルが少なくなります。
| Op | Nsamples |
|---|---|
| 0% | 100 |
| 50% | 50 |
| 80% | 20 |
正規化された有効ノイズ帯域幅 NENBW は、ウィンドウのノイズ パフォーマンスを測定するウィンドウ パラメーターです。NENBW はウィンドウの長さとウィンドウの係数を使用して決定され、次の方程式で求められます。
w(n) はウィンドウ係数のベクトルを表します。Nwindow はウィンドウの長さです。ウィンドウの長さがアルゴリズムでどのように特定されるかの詳細については、「アルゴリズム」の「スペクトル推定 — ウェルチ法」のセクションを参照してください。
箱型ウィンドウの NENBW 値は最小の 1 です。その他すべてのウィンドウの NENBW 値はそれより大きくなります。たとえば、ハン ウィンドウの NENBW 値は約 1.5 です。
スペクトル アナライザーでは、NENBW の値がスペクトル アナライザーのステータス バーに表示されます。
Fs は入力信号のサンプル レートです。スコープで [サンプル レート (Hz)] を確認するには、スペクトル アナライザーのツールストリップの [スコープ] タブをクリックし、[帯域幅] セクションに移動します。このプロパティは、スペクトル アナライザー ウィンドウの下部にあるステータス バーで有効にできます。ステータス バーの
アイコンをクリックし、[Sample Rate] を選択します。
分解能帯域幅は表示する信号のスペクトル分解能を制御します。RBW 値により、スコープで分解できる周波数の間隔が決定されます。値が小さいと、スペクトル分解能は高くなり、ノイズ フロアは低くなります。つまり、スペクトル アナライザーはより間隔の狭い周波数を分解できます。ただし、その代わりにスイープ時間は長くなります。
分解能帯域幅は [RBW (Hz)] パラメーターを使用して指定できます。
ウィンドウの長さを指定した場合、そのウィンドウの長さから、スコープで方程式 を使用して RBW 値が特定されます。
[分解能の方法] を [RBW] に指定した場合、[RBW (Hz)] の設定に応じて次のようになります。
自動–– スペクトル アナライザーは適切な分解能帯域幅を特定し、指定された周波数スパンに 1024 の RBW 間隔が必ず存在するようにします。[RBW (Hz)] を[自動]に設定した場合、スペクトル アナライザーは次の方程式を使用して計算します。スカラー値 –– 指定した周波数スパンに少なくとも 2 つの RBW 間隔が存在するようになる値を指定します。スパン全体と RBW の比率は 2 より大きくなければなりません。
span は、スペクトル アナライザーがスペクトルを計算してプロットする周波数スパンです。スペクトル アナライザーでは、スパンが [スパン (Hz)] プロパティで表示されます。スコープで [スパン (Hz)] を確認するには、スペクトル アナライザーのツールストリップの [推定] タブをクリックし、[周波数オプション] セクションに移動して、[周波数スパン] を [スパンと中心周波数] に設定します。
[分解能の方法] を [周波数帯域の数] に指定した場合、結果の RBW は次で求められます。
入力サンプル数が、指定された分解能帯域幅を得るには十分でない場合、スペクトル アナライザーは提供された入力サンプルの数に応じて RBW 値を調整し、次のようなメッセージを表示します。このメッセージは、十分な入力サンプルをスペクトル アナライザーに提供すると削除されます。

このプロパティは、スペクトル アナライザー ウィンドウの下部にあるステータス バーで有効にできます。ステータス バーの
アイコンをクリックし、[RBW] を選択します。
[スペクトル] タブで [両側スペクトル] を選択して両側スペクトルをプロットした場合、ナイキスト周波数範囲は Hz になります。
[両側スペクトル] の選択を解除した場合、ナイキスト周波数範囲は Hz になります。
[周波数 (Hz)] を [自動] に設定した場合、周波数領域入力の周波数ベクトルがソフトウェアによって計算されます。
[スペクトル] タブまたは [スペクトログラム] タブで [両側スペクトル] を選択して両側スペクトルをプロットした場合、周波数ベクトルは次のようになります。
[両側スペクトル] の選択を解除した場合、周波数ベクトルは次のようになります。
スペクトル アナライザーは次の手順を使用して "占有帯域幅" を計算します。
測定された周波数範囲内の電力合計を計算します。
低周波数値を特定します。範囲内で最も低い周波数から始めて高域に移動し、結果が電力合計の
になるまで、各周波数内に分散している電力を合計します。
高周波数値を特定します。範囲内で最も高い周波数から始めて低域に移動し、結果が電力合計の
に達するまで、各周波数内に分散している電力を合計します。
低電力周波数値と高電力周波数値の間の帯域幅が占有帯域幅です。
低周波数値と高周波数値の中間の周波数が中心周波数です。
スペクトル アナライザーは次の手順を使用して歪みの測定を計算します。
スペクトル内のピークを検出することでスペクトル成分を推定します。アルゴリズムによってピークが検出されると、ピークの幅が記録され、単調減少の値がすべてクリアされます。つまり、それらの値はすべてピークに属するものとして扱われます。この方法を使用して、アルゴリズムでは DC (0 Hz) を中心とするすべてのスペクトル成分をスペクトルから削除し、クリアされた帯域幅の量 (W0) を記録します。
表示されているスペクトルの残りの最大値から基本電力 (P1) を特定します。ピーク付近の電力の中心モーメントを計算して、基本周波数の局所的な推定 (Fe1) を作成します。基本電力成分の帯域幅 (W1) を記録します。その後、手順 1 と同様に基本の電力を削除します。
局所的な推定 (Fe1) の該当する倍数に最も近い周波数を調べて、高次の高調波の電力と幅 (P2、W2、P3、W3 など) を連続して特定します。次の高調波に進む前に、高調波周波数に関して単調に減少するスペクトル成分をスペクトルから削除します。
DC 成分、基本成分、および高調波成分をスペクトルから削除したら、残りのスペクトルの電力の合計 (Premaining)、ピーク値 (Pmaxspur)、および中央値 (Pestnoise) を調べます。
削除したすべての帯域幅の合計を Wsum = W0 + W1 + W2 +...+ Wn で計算します。
2 次以上の高調波の電力の合計を Pharmonic = P2 + P3 + P4 +...+ Pn で計算します。
ノイズ パワーの合計を次のように推定します。
ここで dF は周波数ビン間の差の絶対値であり、RBW はウィンドウの分解能帯域幅です。
次に、推定値から THD、THD%、SINAD、SNR、および SFDR のメトリクスを計算します。
高調波歪み測定では、測定値への入力として表示領域に示されるスペクトル トレースを使用します。スペクトル アナライザーの既定の
[ハン]ウィンドウ設定では、測定信号のノイズ フロアを完全にマスクするような漏れが現れる場合があります。高調波測定では、高調波ピークの最大値から単調に減少する周波数成分をすべて無視することで、漏れの補正が試行されます。ウィンドウの漏れがスペクトル内の周波数帯域幅の 70% を超える部分を覆う場合は、レポートされる [SNR] および [SINAD] の測定値が空白 (–) になることがあります。アプリケーションで等価ノイズ帯域幅 (ENBW) の増加を許容できる場合は、スペクトル漏れを最小限に抑えるために減衰量の大きい (最大 330 dB) カイザー ウィンドウを使用することを検討してください。
DC 成分を無視します。
ウィンドウ処理後に、各高調波成分の幅によって、基本周波数および高調波の近傍にあるノイズ パワーがマスクされます。各領域のノイズ パワーを推定するために、スペクトル アナライザーはスペクトルの高調波以外の領域のノイズ レベルの中央値を計算します。その後、その値を各領域に外挿します。
N 次相互変調積は A*F1 + B*F2 で発生します。
ここで、F1 および F2 は正弦波入力周波数で、|A| + |B| = N です。A および B は整数値です。
相互変調測定では、3 次インターセプト (TOI) ポイントを次のように計算します。
TOIlower = PF1 + (PF2 - P(2F1-F2))/2
TOIupper = PF2 + (PF1 - P(2F2-F1))/2
TOI = + (TOIlower + TOIupper)/2
ここで、P は 1 mW を基準とした測定電力のデシベル (dBm) 単位の電力です。
スペクトル アナライザーでは次のいずれかの方法を使用して移動平均を計算します。
ビデオ帯域幅 — スペクトル アナライザーは時間領域ローパス フィルターを使用して、信号のノイズを平滑化します。ビデオ帯域幅 (VBW) フィルターはトレースを平滑化し、ノイズを減少させます。スペクトル アナライザーは、データにこのフィルターを適用してから表示します。
ビデオ帯域幅は、スコープで信号を表示する前にスペクトル アナライザーで信号のノイズを平均化または平滑化するために使用するローパス フィルターの帯域幅です。スペクトル アナライザーは次の方程式を使用してビデオ帯域幅を計算します。
ビデオ帯域幅はノイズのレベル (ノイズ フロア) には影響しませんが、S/N 比のみが上昇し、ノイズのトレースが平滑化されます。VBW の値を小さくすると、S/N 比は向上します。
ビデオ帯域幅フィルターのカットオフ周波数は次で求められます。
ここで、Fs は入力サンプル レート、NFFT は FFT 点の数です。
スペクトル アナライザーでは、サンプル レート、VBW、NFFT の値が表示下部のステータス バーに表示されます。有効にするには、ステータス バーを右クリックし、
[Sample Rate]、[VBW]、および[NFFT]を選択します。指数 — 移動平均アルゴリズムでは指数重み付け法を使用して、受け取った各 Z ベクトルについて、次の再帰方程式を使用して重みの更新と移動平均の計算を再帰的に行います。
λ — 忘却係数
— 現在の Z ベクトルに適用される重み係数
— 現在の Z ベクトル
— 前の Z ベクトルまでの移動平均
— 以前の Z ベクトルの平均効果
— 現在の Z ベクトルを含む移動平均
ランニング –– 入力の各フレームについて、アルゴリズムによって計算された最後の Q 個のスケーリングされた Z ベクトルの平均を求めます。変数 Q は、スペクトル平均の数について指定した値です。アルゴリズムに十分な Z ベクトルがない場合、アルゴリズムはゼロを使用して空の要素を埋めます。
拡張機能
このブロックは、コードを生成するシステム内でシミュレーションを可視化するために使用できますが、生成コードには含まれていません。
HDL Coder™ には、HDL の実装および合成されたロジックに影響する追加のコンフィギュレーション オプションがあります。注釈またはコメント付きの HDL コードの生成 (HDL Coder)およびDocBlock を使用したカスタム HDL コードの統合 (HDL Coder)も参照してください。
| アーキテクチャ | 説明 |
|---|---|
No HDL | このブロックには HDL コードを生成しないでください。 |
| PreserveUpstreamLogic | 接続されていないロジックの削除を制御します。既定の設定は |
このブロックは、PLC コードを生成するシステム内でシミュレーションを可視化するために使用できますが、生成コードには含まれていません。
バージョン履歴
R2014b で導入各ラインのプロットのタイプを個別に制御できるようになりました。ラインのプロットのタイプを制御するには、ラインを選択し、適宜 [プロット タイプ] パラメーターを設定します。
Spectrum Analyzer ブロックを使用して、信号の位相ノイズを測定してプロットできるようになりました。
Spectrum Analyzer ウィンドウで位相ノイズ測定を有効にするには、スコープ ツールストリップの [測定] タブをクリックし、[位相ノイズ] ボタンをクリックします。
メモ
位相ノイズ測定の設定にアクセスするには、有効な Mixed-Signal Blockset ライセンスが必要です。
Spectrum Analyzer ブロックで、パワー スペクトル推定値を計算するためにランニング平均化方法がサポートされるようになりました。このモードを有効にするには、[推定] タブの [平均化方法] パラメーターを [ランニング] に設定し、[スペクトル平均] パラメーターを正の整数に設定します。
詳細については、アルゴリズムのセクションを参照してください。
以前は、Spectrum Analyzer ブロックで表示を更新するには RBW 値に応じた最小サンプル数が必要でした。R2024b 以降では、この制限がなくなっています。現在は任意の数の入力サンプルでスコープの表示が更新され、それに応じて RBW 値が調整されます。
Spectrum Analyzer ブロックでは、選択したウィンドウに関係なく、スペクトルの更新ごとにサンプル数を 1024 (Nsamples = 1024) に維持するように、分解能帯域幅 (RBW) を自動的に調整できるようになりました。
このモードを Spectrum Analyzer ブロックで有効にするには、次のように設定します。
[RBW (Hz)] を
[自動]。
スコープの設定の [表示とラベル] にある [表示精度] プロパティを使用して、表示精度を 15 桁まで増やせるようになりました。この精度は、すべての測定値とスコープのステータス バーに表示されるデータに適用されます。
[クリップボードへのコピーで色を保持] プロパティの名前が [色を保持] に変更され、スコープのツールストリップの [表示をコピー] から利用できるようになりました。
スペクトル アナライザーの [アナライザー] タブの名前が [スコープ] タブに変更されました。
スペクトル アナライザーにおいて、特定の条件下でウィンドウの長さと FFT 長を指定できるようになりました。R2024a 以降では、次のパラメーターが利用可能です。
分解能の方法
ウィンドウの長さ
FFT 長
以下を設定した場合に [スペクトルの単位] を [dBuV] に設定できます。
[入力領域] を
[時間]、[スペクトル] をRMS。[入力領域] を
[周波数]。
[入力領域] を [周波数] に設定した場合に [入力の単位] を [dBuV] に設定できます。
R2023a では、Spectrum Analyzer ブロックの応答性が向上し、そのツールストリップ インターフェイスがスペクトル解析、推定、測定に簡単にアクセスできるように改善されています。SpectrumAnalyzerBlockConfiguration (DSP System Toolbox) オブジェクトでコマンド ラインからスペクトル アナライザーの設定を構成および表示できます。
参考
オブジェクト
SpectrumAnalyzerBlockConfiguration(DSP System Toolbox) |spectrumAnalyzer(DSP System Toolbox)
関数
getSpectralMaskStatus(DSP System Toolbox) |getSpectrumData(DSP System Toolbox) |getMeasurementsData(DSP System Toolbox)
ブロック
- Time Scope (DSP System Toolbox) | Array Plot (DSP System Toolbox) | Filter Visualizer (DSP System Toolbox)
トピック
- スペクトル アナライザーの構成 (DSP System Toolbox)
- Spectral Analysis (DSP System Toolbox)
- Estimate the Power Spectrum in Simulink (DSP System Toolbox)
- View the Spectrogram Using Spectrum Analyzer (DSP System Toolbox)
- Display Frequency-Domain Data in Spectrum Analyzer (DSP System Toolbox)
MATLAB Command
You clicked a link that corresponds to this MATLAB command:
Run the command by entering it in the MATLAB Command Window. Web browsers do not support MATLAB commands.
Web サイトの選択
Web サイトを選択すると、翻訳されたコンテンツにアクセスし、地域のイベントやサービスを確認できます。現在の位置情報に基づき、次のサイトの選択を推奨します:
また、以下のリストから Web サイトを選択することもできます。
最適なサイトパフォーマンスの取得方法
中国のサイト (中国語または英語) を選択することで、最適なサイトパフォーマンスが得られます。その他の国の MathWorks のサイトは、お客様の地域からのアクセスが最適化されていません。
南北アメリカ
- América Latina (Español)
- Canada (English)
- United States (English)
ヨーロッパ
- Belgium (English)
- Denmark (English)
- Deutschland (Deutsch)
- España (Español)
- Finland (English)
- France (Français)
- Ireland (English)
- Italia (Italiano)
- Luxembourg (English)
- Netherlands (English)
- Norway (English)
- Österreich (Deutsch)
- Portugal (English)
- Sweden (English)
- Switzerland
- United Kingdom (English)

