力率改善

力率改善とは

力率とは、交流 (AC) 電力システムが電力を有効な出力に変換するときの効率性を表す指標です。力率改善とは、電力システムの力率を改善して電力システムの効率性を高めるプロセスのことです。

交流回路の力率は、電気負荷が消費する瞬時有効電力と回路を流れる皮相電力との比率です。力率は送電の効率性および電力網に接続された負荷による電力消費の効率性を測定するもので、実際の仕事をする有効電力および回路に供給される皮相電力との間の関係を説明します。

\[Power \; Factor = cosθ = \frac{Real \; Power \; (kW)}{Apparent \; Power \; (kVA)}\]

力率は \(cosθ\) で表され、\(θ\) は以下で示されている電力ベクトル図の有効電力と皮相電力との間の角度です。

回路の皮相電力と有効電力の間の角度が θ である三角形。

電力ベクトル図。

力率は 0 から 1 の間の数値として (または割合として) 表され、数値の 1 (または 100%) は効率が最大であることを示します。1 未満の力率は、AC 回路の電流および電圧が同相でないことを示します。

力率改善技術

力率改善技術は、電力システムの力率を改善して 1 に近づけるために使用される戦略および手法で、電力システムの効率性を高めることを目的としています。力率改善を実現するために複数の技術が使用されています。

同期コンデンサ

同期コンデンサは、本質的には、機械的負荷を使用せずに動作する同期モーターであり、必要に応じて進みまたは遅れ無効電力 (VAR) を供給するように調整できます。この手法は、負荷が一定でない状況下で力率のバランスを動的に取るのに役立ちます。

たとえば、大規模な風力発電プラントでは電力網への接続点付近で同期コンデンサを使用し、風速や誘導型変圧器の負荷の変動によって生じる力率の変動を抑制しています。このコンデンサは必要に応じて無効電力を動的に調整、供給、吸収し、電力網の電圧を安定させ、効率的な送電を確保し、損失を最小限にします。このようにして、風の変動性にもかかわらず信頼性が高く効率的な電力提供を可能にしています。

進相コンデンサ

主に誘導モーターで使用される進相コンデンサは、必要とされる進み電流を回転子に供給することで、電力供給から引き出される遅れ VAR を少なくするデバイスです。

アクティブ方式の力率改善

アクティブ方式の力率改善は、電子回路およびデバイスで使用される技術で、負荷によって引き出される電流の波形を変えるパワー エレクトロニクス技術を使用して力率を改善しています。この手法はスイッチモード電源で見られるような非線形負荷に特に効果的です。

コンピューターに使用されるスイッチモード電源は非線形負荷であるため、電力システムに多くの高調波歪みを発生させる可能性があり、これが補正されない場合は力率が低くなることがあります。この問題に対処するため、多くのコンピューターの電源にはアクティブ PFC 回路が組み込まれています。

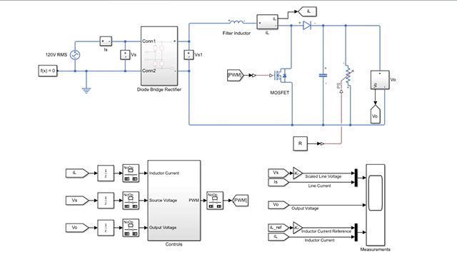
昇圧コンバーター、コントロール、回路範囲を示す力率改善のための Simscape Electrical モデルのスクリーンショット。

Simscape Electrical での連続導通モード (CCM) 昇圧コンバーターの力率改善のモデル化 (例を参照)。

パッシブ方式の力率改善

パッシブ方式の力率改善には、力率を改善するためのコンデンサやインダクタなど、パッシブな要素の使用が伴います。アクティブ方式の力率改善と比較すると、この手法はより単純かつ安価になりますが、通常、非線形負荷の力率の補正の効果がより低くなります。

たとえば、商業ビルの蛍光灯は誘導負荷ですが、遅れ力率を引き起こすことがあり、その結果として電力需要が増加するため電力会社からの請求も増加し、電気システムの効率の低下にもつながります。これを補正するために、コンデンサは照明回路と並列に組み込まれます。これらのコンデンサが進み無効電力を供給し、照明によって引き出される遅れ無効電力を抑制するので、結果として力率が改善されます。

結論として、これらの技術によって力率を改善することは、エネルギーコストの削減、システム容量の向上、電圧抑制の改善など大きな利益をもたらし、より効率的で信頼性の高い電力システムの実現に貢献します。

MATLAB®Simulink®Simscape Electrical™ を使用し、さまざまな構成要素およびシステムのモデルを含む組み込みライブラリを用いることによって、システム内の電力コンバーター、AC モーター、電力システムの安定性、電力潮流、高調波の設計、シミュレーション、解析をすることができます。このアプローチによって、さまざまな状況下で、これらのシステムがどのように動作し、どのように最適化できるかを詳細に解析することができます。Embedded Coder® を使用することによって、コントローラーの量産コードを生成し、ハードウェアインザループ (HIL) テストを実行して、さまざまな動作条件下でのコントローラーの性能を評価できます。このプロセスによって、電力品質の改善のために使用されるパワーエレクトロニクス システムのリスクを軽減し、パフォーマンスを最適化できます。


参考: DC-DC コンバーター制御, Simscape Electrical, PID 制御, パワー エレクトロニクス シミュレーション, 小信号解析, C2000 Microcontroller Blockset