このページの内容は最新ではありません。最新版の英語を参照するには、ここをクリックします。
Corner Detection
コーナー メトリクス行列の計算、およびイメージ内のコーナーの検出
ライブラリ:
Computer Vision Toolbox /
Analysis & Enhancement
説明
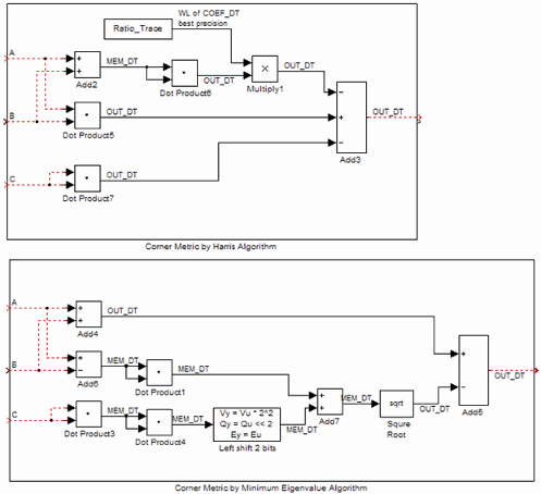
Corner Detection ブロックは、Harris のコーナー検出法 (Harris および Stephens)、最小固有値法 (Shi および Tomasi) または局所強度比較法 (Rosten および Drummond による Accelerated Segment Test, (FAST) 法に基づく) を使用して、イメージ内のコーナーを検出します。このブロックは、コーナー メトリクス値が最も大きいピクセルに基づいてイメージ内のコーナーを検出します。
例
端子
入力
出力
パラメーター
ブロックの特性
詳細
アルゴリズム
参照
[1] Harris, C. and M Stephens. “A Combined Corner and Edge Detector.” Proceedings of the 4th Alvey Vision Conference, 147-151. August 1988.
[2] Shi, J. and C. Tomasi. “Good Features to Track.” Proceedings of the IEEE Conference on Computer Vision and Pattern Recognition, 593-600. June 1994.
[3] Rosten, E. and T. Drummond. “Fusing Points and Lines for High Performance Tracking.” Proceedings of the IEEE International Conference on Computer Vision Vol. 2, 1508-1511. October 2005.
拡張機能
バージョン履歴
R2007b で導入




