このページの内容は最新ではありません。最新版の英語を参照するには、ここをクリックします。
parallel
2 つのモデルの並列接続
構文
parallel
sys = parallel(sys1,sys2)
sys = parallel(sys1,sys2,inp1,inp2,out1,out2)
sys = parallel(sys1,sys2,'name')
説明
parallel を使用すると、2 つのモデル オブジェクトを並列に接続できます。この関数は、どのタイプのモデルでも受け入れます。2 つのシステムは、どちらも連続であるか、どちらも離散でサンプル時間が同じであるかのいずれかでなければなりません。静的ゲインは、ニュートラルであり、正規行列として指定することができます。
sys = parallel(sys1,sys2) は次の図に示すような基本的な並列接続を形成します。

このコマンドは直接加算と同等です。
sys = sys1 + sys2
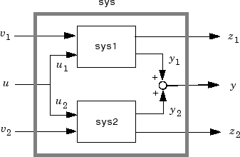
sys = parallel(sys1,sys2,inp1,inp2,out1,out2) は次の図に示すような、より一般的な並列接続を形成します。

ベクトル inp1 と inp2 は、それぞれ sys1 と sys2 の入力チャネルへのインデックスを含んでおり、ブロック線図の中の入力チャネル u1 と u2 を定義しています。同様に、ベクトル out1 と out2 は、これら 2 つのシステムの出力のインデックスを含んでおり、ブロック線図の中の出力チャネル y1 と y2 を定義しています。生成されるモデル sys は、[v1 ; u ; v2] を入力とし、[z1 ; y ; z2] を出力とします。
sys = parallel(sys1,sys2,'name') は、I/O 名と一致する sys1 と sys2 を接続します。sys1 と sys2 のすべての I/O 名を指定しなければなりません。一致する名前は、sys1 と sys 内で同じ順番で表示されます。たとえば、次の仕様:
sys1 = ss(eye(3),'InputName',{'C','B','A'},'OutputName',{'Z','Y','X'});
sys2 = ss(eye(3),'InputName',{'A','C','B'},'OutputName',{'X','Y','Z'});
parallel(sys1,sys2,'name')d =
C B A
Z 1 1 0
Y 1 1 0
X 0 0 2
Static gain.メモ
sys1 と sys2 が、モデルの配列の場合、parallel では同じサイズのモデル配列 sys を返します。sys(:,:,k)=parallel(sys1(:,:,k),sys2(:,:,k),inp1,...) のようになります。
例
例については、カルマン フィルター処理を参照してください。
バージョン履歴
R2006a より前に導入