このページの内容は最新ではありません。最新版の英語を参照するには、ここをクリックします。
Induction Machine Field-Oriented Control
pu 単位での離散時間誘導機の FOC
ライブラリ:
Simscape /
Electrical /
Control /
Induction Machine Control
説明
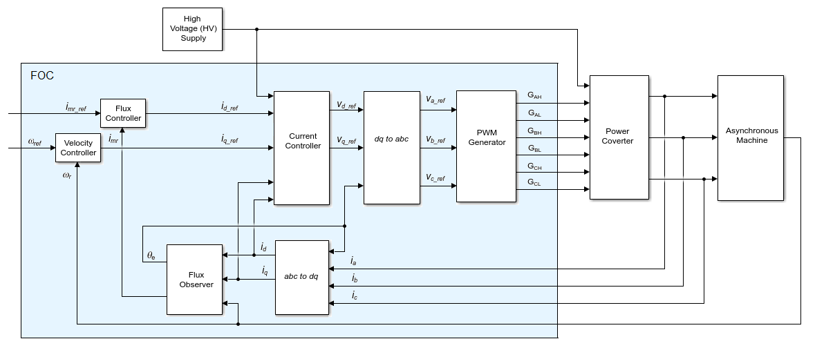
Induction Machine Field-Oriented Controller ブロックは、pu 単位系を使用して誘導機のベクトル制御 (FOC) 構造を実装します。トルクと磁束を分離するために、FOC では回転子 d-q 基準座標系を使用します。次の図に制御構造を示します。

In the diagram:
ωr is the measured angular velocity.
ωref is the reference angular velocity.
id and iq are the d- and q-axis stator currents.
ia, ib, and ic are the a-, b- and c-phase stator winding currents.
imr_ref is the reference magnetizing current.
imr is the magnetizing current.
vd and vq are the d- and q-axis stator voltages.
va, vb, and vc are the a-, b- and c-phase stator winding voltages.
θe is the rotor electrical angle.
GAH, GAL, GBH, GBL, GCH, and GCL are the a-, b- and c-phase high (H) and low(L) gate pulses.
仮定と制限
マシン パラメーターは既知です。
実装では pu 単位系を使用します。
制御構造の実装では単一のサンプル レートを使用します。
例
端子
入力
出力
パラメーター
拡張機能
バージョン履歴
R2017b で導入
参考
ブロック
- Induction Machine Current Controller | Induction Machine Direct Torque Control | Induction Machine Direct Torque Control (Single-Phase) | Induction Machine Direct Torque Control with Space Vector Modulator | Induction Machine Field-Oriented Control (Single-Phase) | Induction Machine Flux Observer | Induction Machine Scalar Control

