このページは前リリースの情報です。該当の英語のページはこのリリースで削除されています。
ビデオのモザイク化
この例では、ビデオ シーケンスからモザイクを作成する方法を説明します。ビデオのモザイク化は、ビデオ フレームを繋ぎ合わせてシーンの全体像を作成するプロセスです。その結果、ビデオ データのコンパクトな表現であるモザイク イメージが得られます。Video Mosaicking ブロックはビデオの圧縮や監視アプリケーションによく使用されます。
この例では、Corner Detection ブロック、Estimate Geometric Transformation ブロック、Projective Transform ブロックおよび Compositing ブロックを使用してビデオ シーケンスからモザイク イメージを作成する方法について説明します。
モデル例
次の図は Video Mosaicking モデルを示します。

Input サブシステムは、ファイルからビデオ シーケンスを読み込むか、合成ビデオ シーケンスを生成します。この選択はユーザーが定義します。まず、Corner Detection ブロックが Corner Matching サブシステムを使用して連続するフレーム間でマッチする点を見つけます。その後、Estimate Geometric Transformation ブロックが変換行列の正確な推定値を計算します。このブロックは RANSAC アルゴリズムを使用して外れ値の入力ポイントを排除し、出力モザイク イメージの繋ぎ目に沿った誤差を減らします。最後に、Mosaicking サブシステムが、現在のビデオ フレームを出力イメージに重ね合わせてモザイクを生成します。
Input サブシステム
Input サブシステムは、ファイルからビデオ シーケンスを読み込むように設定するか、合成ビデオ シーケンスを生成するように設定できます。

ファイルからのビデオ シーケンスを使用する場合、一部のビデオ フレームのみを処理することで計算時間を短縮できます。これを行うには、Frame Rate Downsampling サブシステムでダウンサンプリング レートを設定します。
合成ビデオ シーケンスを使用する場合、変換と回転の速度、出力イメージのサイズと原点、ノイズ レベルをそれぞれ設定できます。合成ビデオ シーケンス発生器の出力は、平面上で任意の動きをする透視投影カメラで撮影したイメージをまねたものです。
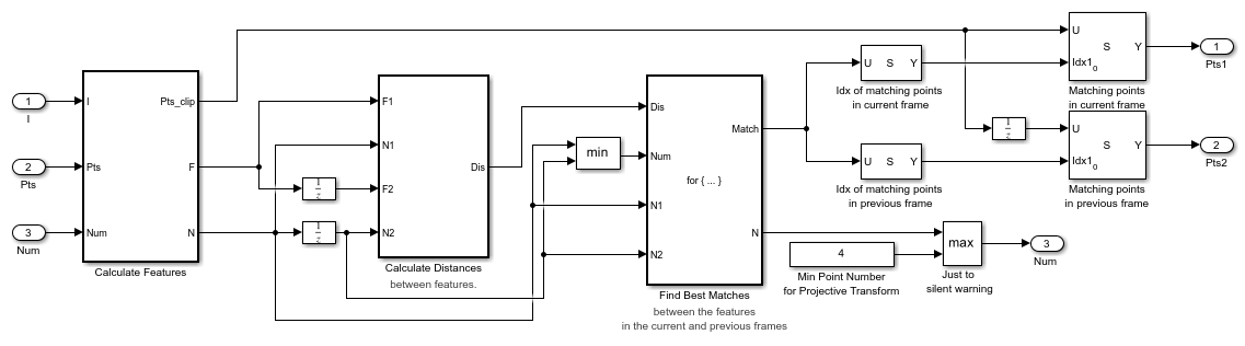
Corner Matching サブシステム
このサブシステムは 3 つの手法のいずれかを使用して、現在のビデオ フレーム内でコーナー特徴を見つけます。例では、処理が最も高速の局所強度比較法 (Rosten & Drummond) を使用します。その他に、Harris のコーナー検出法 (Harris & Stephens) および最小固有値法 (Shi & Tomasi) も使用できます。

Corner Matching サブシステムは、コーナーの数、位置およびそのメトリクス値を見つけます。その後、サブシステムは現在のフレームと前のフレームにあるすべての特徴間の距離を計算します。サブシステムは最小距離を探索して、最もよくマッチする特徴を見つけます。
サブシステムのモザイク化
サブシステムは連続ビデオ フレーム間の変換行列を累積することにより、現在のビデオ フレームと最初のビデオ フレームの間の変換行列を計算します。その後、サブシステムは現在のビデオ フレームを出力イメージに重ね合わせます。サブシステムはこのプロセスを繰り返してモザイク イメージを生成します。

ビデオ シーケンスが巻き戻されたり、Estimate Geometric Transformation ブロックで十分な数のインライアが見つからない場合、サブシステムはリセットされます。
合成ビデオを使用したビデオのモザイク化

[Corners] ウィンドウに現在のビデオ フレームにおけるコーナーの位置が表示されます。

[Mosaic] ウィンドウには結果のモザイク イメージが表示されます。

取得したビデオを使用したビデオのモザイク化
[Corners] ウィンドウに現在のビデオ フレームにおけるコーナーの位置が表示されます。

[Mosaic] ウィンドウには結果のモザイク イメージが表示されます。
