このページの内容は最新ではありません。最新版の英語を参照するには、ここをクリックします。
Three-Phase PI Section Line
集中定数を使用して三相伝送線路セクションを実装
ライブラリ:
Simscape /
Electrical /
Specialized Power Systems /
Power Grid Elements
説明
Three-Phase PI Section Line ブロックは、π型セクションの集中定数を使用して平衡三相伝送線路モデルを実装します。
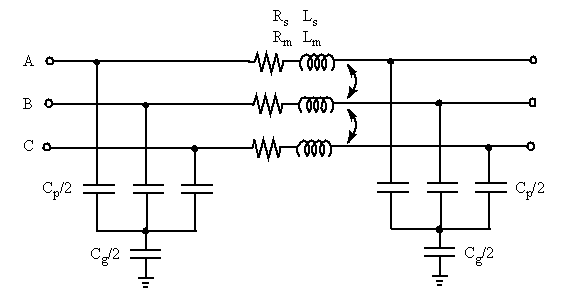
抵抗、インダクタンス、および静電容量が線路に沿って均一に分布している分布定数線路モデルとは異なり、Three-Phase PI Section Line ブロックは、以下の図に示すように、線路定数を単一のπ型セクションにまとめます。

線路定数 R、L、および C は、三相導体間の誘導結合と容量結合を考慮する正相および零相のパラメーターのほか、接地パラメーターとして指定されます。この線路定数の指定方法では、三相が平衡していると想定されます。
結合された 3 つのインダクタの自己抵抗と相互抵抗 (Rs、Rm)、自己インダクタンスと相互インダクタンス (Ls、Lm)、および相静電容量 Cp と接地静電容量 Cg は、次のように正相および零相の RLC パラメーターから推定されます。
次の線路定数を仮定します。
| r1, r0 | 正相および零相の単位長さあたり抵抗 (Ω/km) |
| l1, l0 | 正相および零相の単位長さあたりインダクタンス (H/km) |
| c1, c0 | 正相および零相の単位長さあたり静電容量 (F/km) |
| f | 周波数 (Hz) |
| lsec | 線路セクションの長さ (km) |
双曲線補正を含む正相および零相の RLC パラメーターの合計は、最初に次のように評価されます。
ここで、
kr1、kl1、kc1、kr0、kl0、kc0 — 正相および零相の双曲線補正係数
メモ
双曲線補正を考慮して RLC パラメーターを計算する方法については、PI Section Lineブロックのリファレンス ページを参照してください。
Powergui ブロックには、線路のジオメトリおよび導体の特性に基づいて、単位長さあたりの抵抗、インダクタンス、および静電容量を計算するためのグラフィカル ツールが用意されています。このツールの使用方法については、power_lineparam のリファレンス ページを参照してください。
短い線路セクション (概ね lsec < 50 km) では、これらの補正係数は無視できます (1 に近い)。ただし、長い線路では、指定した周波数で正確な線路モデルを得るために、これらの双曲線補正を考慮する必要があります。
その場合、RLC 線路セクション パラメーターは次のように計算されます。
例
端子
保存
パラメーター
拡張機能
バージョン履歴
R2006a より前に導入
