制御付き線形電動アクチュエータ
この例では、制御された線形アクチュエータの詳細な実装モデルを示します。アクチュエータを構成する DC モーターがウォーム ギアを駆動し、それが親ねじを駆動して線形運動を生成します。モデルには、ホール効果センサーの量子化効果と、アナログ エレクトロニクスにおける制御の実装が含まれています。このモデルには、さまざまな忠実度レベルのモデルをもつ複数のバリアント サブシステムがあります。
速度制御モデルと電流制御モデルは、純粋な Simulink® ブロックを使用して実装されます。これにより、制御アルゴリズムを容易に指定し、アナログ回路を実装するための要件を特定することができます。このことは別のバリアントに示されています。
モーター駆動回路モデルは、2 つの異なるシミュレーション モードでシミュレーション可能な、抽象化された回路に実装されています。平均モードでは、モーターに印加される電圧は、入力ピンの電圧によって、最大値と最小値の間で連続的に変化します。PWM モードでは、PWM 電圧がモーターに印加され、そのデューティ比は、入力ピンで印加された電圧によって異なります。また、モーター回路は、半導体デバイスの使用によっても実装されています。これにより、個別のスイッチング イベントを調べることができます。
モデル

Speed Controller サブシステム
以下に示す回路では、Simscape™ Electrical™ コンポーネントを使用して、フィルターをもつ PI コントローラーを実装しています。これは、Speed and Current Control サブシステム内で Circuit バリアントを選択しているときに有効になります。

Abstract Motor Driver Circuit サブシステム
以下のブロックは、モーター ドライバー回路の抽象モデルです。Controlled PWM Voltage ブロックは、+ref 端子と -ref 端子の電圧に基づいて PWM 信号を生成します。H-Bridge ブロックは、電気モーターの駆動に一般的に使用する H ブリッジ回路を表現します。これらのブロックは、平均モードまたは PWM モードで実行するように構成できます。

Simscape ログからのシミュレーション結果 - 抽象モデル
以下のプロットは、モーター回転数がどのように基準入力を追跡するかを示しています。シャフトの実際の速度と、シャフト エンコーダーによって決定される速度が示され、制御システムで認識される信号がシャフト速度の完全な測定値ではないことを表しています。3 秒の時点における、外乱トルクに対するシステムの応答は以下のとおりです。

Circuit サブシステム
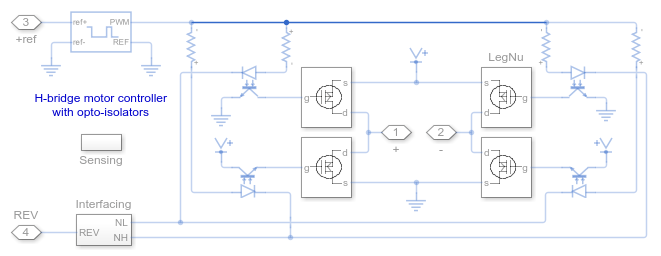
以下に示す回路は、Simscape Electrical コンポーネントを使用して実装された H ブリッジ回路です。これは、Motor Driver バリアント サブシステムの Circuit バリアントが選択されているときに有効になります。

MOSFET サブシステム
以下の回路は、H ブリッジの 4 つのレッグの 1 つです。MOSFET 半導体とその他のコンポーネントが、H ブリッジのレッグを通る電流の流れを制御します。

Simscape ログからのシミュレーション結果 - 詳細モデル
以下のプロットは、H ブリッジの詳細モデルを使用したシミュレーション中における、単一のスイッチング イベントを示しています。MOSFET 電力の急上昇は、短時間に、モーターの同じ側にある両方の MOSFET が導通して短絡を引き起こすことが原因です。

参考
DC Motor | Optocoupler | P-Channel MOSFET | H-Bridge | Controlled PWM Voltage