このページの内容は最新ではありません。最新版の英語を参照するには、ここをクリックします。
Linear Transformer
2 巻線または 3 巻線線形変圧器を実装
ライブラリ:
Simscape /
Electrical /
Specialized Power Systems /
Power Grid Elements
説明
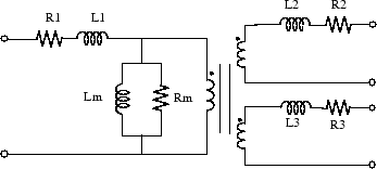
次に示す Linear Transformer ブロック モデルは、同じコアで巻かれている結合された 3 つの巻線で構成されています。

このモデルでは、巻線抵抗 (R1 R2 R3) と漏れインダクタンス (L1 L2 L3) が考慮されるほか、線形 (Rm Lm) 分岐でモデル化されるコアの磁化特性も考慮されます。
pu 単位の変換
業界に準拠するために、このブロックでは巻線の抵抗とインダクタンスを単位法 (pu) で指定できます。値は、対応する巻線の変圧器の定格電力 Pn (VA)、定格周波数 fn (Hz)、および定格電圧 Vn (Vrms) に基づきます。各巻線で、pu 単位の抵抗とインダクタンスは次のように定義されます。
各巻線で使用されるベース インピーダンス、ベース抵抗、ベース リアクタンス、およびベース インダクタンスは次のとおりです。
磁化抵抗 Rm と磁化インダクタンス Lm については、pu 値は巻線 1 の変圧器の定格電力と定格電圧に基づきます。
たとえば、ダイアログ ボックスのセクションで巻線 1 の既定のパラメーターが指定されていると、次のベースが得られます。
巻線 1 のパラメーターが R1 = 4.32 Ω および L1 = 0.4586 H であると仮定して、ダイアログ ボックスで対応する値を入力します。
定格電流に基づいて 0.2% (抵抗性および誘導性) の磁化電流を指定するには、磁化分岐の抵抗とインダクタンスに対して 1/0.002 = 500 pu の pu 単位値を入力する必要があります。先ほど計算したベース値を使用すると、これらの pu 単位値は Rm = 1.08e6 Ω および Lm = 2866 H に対応します。
理想的な変圧器のモデル化
理想的な変圧器のモデルを実装するには、巻線抵抗と巻線インダクタンスを 0 に設定し、磁化抵抗と磁化インダクタンス (Rm Lm) を inf に設定します。
制限
巻線は浮遊状態 (つまり、回路の他の部分に接続されていない状態) のままにできます。ただし、浮遊巻線とメイン回路の間に内部抵抗が自動的に追加されます。この内部接続は、電圧と電流の測定値に影響しません。
Simscape™ Electrical™ Specialized Power Systems で実装されているグラフ理論とその電気回路網理論への適用に固有の制限により、次のトポロジは解決できません。
理想的な変圧器の 2 次巻線 (三相変圧器のデルタ結線された理想的な 2 次巻線など) のみを含むループ。このトポロジの問題を解決するには、小さなインピーダンスをループと直列に追加します。
理想的な変圧器の 2 次巻線と理想的な電圧源のみを含むループ。このトポロジの問題を解決するには、小さなインピーダンスをループと直列に追加します。
理想的な変圧器の 2 次巻線とコンデンサのみを含むループ。このトポロジの問題を解決するには、小さなインピーダンスをループと直列に追加します。
理想的な変圧器の 1 次側に、理想的な変圧器の 1 次巻線または電流源 (浮遊共通点で Y 結線された三相 1 次巻線など) のみで構成される要素に接続されているノードが少なくとも 1 つ含まれているすべてのトポロジ。この回路トポロジを解決するには、問題のあるノードに小さな抵抗を接続します。
例
power_transformer の例は、線-中性点負荷および線間負荷に電力を供給する典型的な住宅配電用変圧器の回路網を示しています。
この例を開くには、MATLAB コマンド ウィンドウで、「power_transformer」と入力します。
端子
保存
パラメーター
拡張機能
バージョン履歴
R2006a より前に導入