このページの内容は最新ではありません。最新版の英語を参照するには、ここをクリックします。
バッテリー パックの故障保護
この例では、電気自動車のバッテリー パック内にあるヒューズを使用して、故障および故障保護をモデル化する方法を説明します。バッテリー パックは、セルを直列および並列に組み合わせた複数のバッテリー モジュールで構成されています。各バッテリー セルは、Simscape Electrical の Battery (Table-Based) ブロックを使用してモデル化されています。この例では、初期温度と SOC はすべてのセルで同一です。4 個のバッテリー モジュール (3 個は類似し、1 個は他の 3 個と異なる) を直列接続してバッテリー パックをシミュレートします。この例の結果では、初期周囲温度を 25℃と仮定しています。Control サブシステムが、バッテリー パックの冷却液の流量決定に使用するロジックを定義します。ヒューズは、故障保護の手段としてバッテリー パックに内蔵されています。
モデルの概要

パラメーターと入力の概要
このモデルを使用して独自のバッテリー モジュールを作成するには、まず直列接続と並列接続のセル数を指定します。次に、Battery Module ブロックの [Choose cell type] パラメーターで次のいずれかのオプションを選択して、個々のセルすべてについてセルのタイプを指定します。
PouchCanCompact cylindricalRegular cylindrical
この例では、パウチタイプのセルを使用します。モジュール A、B および C は、5 個の直列接続セルと 2 個の並列接続セルで構成されています。モジュール D は、6 個の直列接続セルと 2 個の並列接続セルで構成されています。
![]()
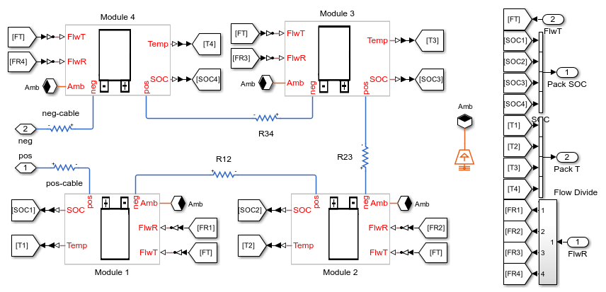
2 つの出力端子 SOC と Temp は、モジュール内の各セルの SOC と温度に関する情報を提供します。熱端子 Amb は、シミュレーション中の周囲温度を定義するために使用されます。電気端子 pos と neg は、それぞれ電気的な正極端子と負極端子を定義します。2 つの入力端子 FlwR と FlwT は、モジュールに入るバッテリー冷却液の流量制御値とモジュール入口温度を定義します。
以下の図は、Pouch および Can のバッテリー セルの構成例を示しています。

以下の図は、Compact cylindrical および Regular cylindrical のバッテリー セルの構成例を示しています。

バッテリー モジュールのパラメーターは次のとおりです。
温度のベクトル、T - 温度変化するプロパティを表形式にしたときに、セルまたはモジュールのデータに対応する温度。ベクトルとして指定します。
Single cell Ahr rating, baseline - [温度のベクトル、T] パラメーターで定義された温度におけるセル容量。ベクトルとして指定します。
Vector of state of charge values, SOC - セルの電気パラメーターが定義される 0 ~ 1 の値の範囲。ベクトルとして指定します。
Vector of coolant flowrates, L - セル冷却のルックアップ テーブルが定義されている冷却液の質量流量値。このパラメーターは、着目する流量範囲の複数の点に対応する必要があります。このパラメーターは [Effective rate of coolant heat transfer] パラメーターのサイズを定義するもので、ベクトルとして指定します。
No load voltage, V0 - [Vector of state of charge values, SOC] および [温度のベクトル、T] のさまざまな点におけるセルの開回路電位値。行列として指定します。
Terminal resistance, R0 - [Vector of state of charge values, SOC] および [温度のベクトル、T] のさまざまな点におけるセルのオーム抵抗値。行列として指定します。
Polarization resistance - [Vector of state of charge values, SOC] および [温度のベクトル、T] のさまざまな点における分極抵抗値。行列として指定します。
時定数 - [Vector of state of charge values, SOC] および [温度のベクトル、T] のさまざまな点における時定数。行列として指定します。
Cell thermal mass - 単一セルの熱質量。スカラーとして指定します。
Cell thermal conductivity - パウチ セルとユニット セルの場合はセルの面に垂直方向の伝導率、円筒型セルの場合は半径方向の伝導率。スカラーとして指定します。
Heat transfer coefficient to ambient - 熱伝達係数の値。スカラーとして指定します。
Number of series connected cells Ns - 直列のストリング数。整数として指定します。
Number of parallel connected cells Np - ストリング内の並列セルの数。整数として指定します。
Choose cell type - セルのタイプ。
Pouch、Can、Compact cylindricalまたはRegular cylindricalのいずれかとして指定します。Cell height - セルの高さ。スカラーとして指定します。
Cell width -
PouchおよびCanのセルの幅。スカラーとして指定します。Cell thickness -
PouchまたはCanのセルの厚さ。スカラーとして指定します。Cell diameter -
Compact cylindricalまたはRegular cylindricalのセルの直径。スカラーとして指定します。Number of cylindrical cells in a straight line - パッケージ化の目的で直線状に配置した円筒型セルの数。整数として指定します。
Accessory total resistance - モジュール内のすべてのインライン抵抗を合わせた抵抗。スカラーとして指定します。この抵抗は、セル タブ、母線、ケーブルおよび/または溶接抵抗の合計です。スカラーとして指定します。
Cell balancing - セル バランス メソッド。
noneまたはpassiveのいずれかとして指定します。この例では、このパラメーターがnoneに設定されています。
Effective rate of coolant heat transfer from each cell - バッテリー セルから冷却液への熱伝達の熱抵抗の推定値 (W/K)。スカラー値の 3 次元行列として指定します。3 次元行列のサイズは、[温度のベクトル、T]、[Vector of coolant flowrates, L] および [NsxNp] のパラメーターによって決まります。[NsxNp] パラメーターは、モジュール内のセルの合計数です。バッテリー冷却はサイズ [T,L,Ns*Np] のルックアップ テーブルまたは 3 次元行列として表され、その値は数値流体力学などの詳細な 3 次元手法を使用して計算されます。行列の値は、モジュール内の冷却システムまたは冷却板の実際のハードウェア設計によって決まります。冷却板のパフォーマンスの制御には、入力値 FlwR および FlwT が使用されます。
External heat - モジュール近くにある高温コンポーネントによる、モジュール内の各セルへの外部熱入力。ベクトルとして指定します。
Vector of initial cell temperature - セルの初期温度。ベクトルとして指定します。
Vector of initial cell state of charge - セルの初期 SOC。ベクトルとして指定します。
Cell Ahr rating variation - 各セルのすべての [温度のベクトル、T] 点におけるセル容量のセル間変動。スカラー値のベクトルとして指定します。この配列を 1 に設定すると、すべてのセル容量が同一になります。あるセルの配列の値に、[Single cell Ahr rating, baseline] パラメーターに指定された値を乗算すると、セルの実際の容量または定格のアンペア時が計算されます。
バッテリー冷却液の流量と温度を定義するには、次の入力を指定します。
FlwR - 0 ~ 1 の値。スカラーとして指定します。シミュレーション中は、[FlwR] の入力値を使用して、正しい流量値が動的に選択されます。[FlwR] の入力値は、モジュール内の実際の流量を定義します。[Vector of coolant flowrates L] パラメーターの [FlwR] が 0 に等しいことは流量ゼロを意味します。一方、[FlwR] が 1 に等しいことは最大流量値を意味します。
FlwT - 正値または負値であり、周囲温度に加算した値が冷却液の入口温度に等しくなります。[FlwT] の入力値が +15 で、端子 Amb が 273.15 K の場合、冷却液の入口温度は 273.15 + 15 = 288.15 K に等しくなります。[FlwT] の入力値が -15 で、Amb が 273.15 K の場合、冷却液の入口温度は 273.15 - 15 = 258.15 K に等しくなります。
この例のバッテリー パックは、直列接続の 4 個のモジュールで構成されています。最初の 3 個のモジュールは同一です。4 番目のモジュールは、セル数 Ns4 と、冷却効率 coolantQ4 (BatteryThermalManagementInitialization.m ファイル内に定義) が異なっています。ケーブルは抵抗としてモデル化されており、各モジュールを相互に接続します。すべてのモジュールで冷却液の流量が異なります。Battery Pack サブシステムの Flow Divide ブロックが、各バッテリー モジュールに到達する流量を決定します。

Control サブシステムの概要
Control サブシステムはバッテリー パック内の最小温度と最大温度を追跡します。このサブシステムは、パック内のセルの最小温度と最大温度の差と、パック内の最大温度と端子 Amb の値の差のうち、最大値に基づいて流量を計算します。差が 10℃以上の場合は [FlwR] が 1 に設定され、それ以外の場合は 0 (それぞれのセル間に温度差がなくバッテリー パックの温度が端子 "Amb" での設定値に非常に近い状態) まで線形にスケーリングされます。この例で、冷却液の入口温度は定数であり、BatteryProtectionInitialization.m ファイルのワークスペース変数 coolantTemp で定義されています。バッテリー電流がゼロになるか、ファイル BatteryProtectionInitialization.m の maxDCfaultCurrent を超えると、冷却液の流れがオフに切り替わります。

Simscape ログからのシミュレーション結果
この例では、180 秒の一定負荷プロファイルをシミュレートします。バッテリー パックの温度に応じて流量が増加するため、バッテリー パックがより効果的に冷却されます。120 秒で故障が発生すると、バッテリー電流が増加してヒューズが切れます。冷却液の流量もゼロになります。

リアルタイム シミュレーションの結果
この例は、Intel® 3.5 GHz i7 マルチコア CPU を搭載した Speedgoat Performance リアルタイム ターゲット マシンでテストされました。このモデルは、1.25 秒のステップ サイズでリアル タイム実行できます。