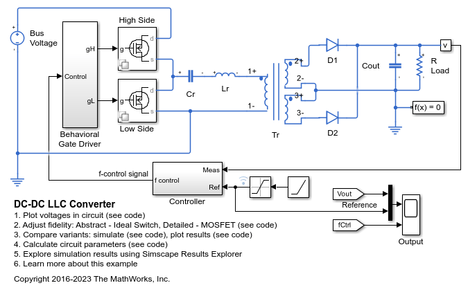
DC-DC LLC コンバーター
この例では、周波数制御付きの DC-DC LLC 電力コンバーターを示します。Controller ブロックは、Simulink® で単純な積分制御を実装します。この積分制御は、変数 Vout_nominal で指定された定格出力電圧を達成します。Output スコープには、周波数制御信号、出力電圧、および出力電圧の参照値が示されます。起動時に、参照値が目標の設定値まで増大します。LLC パワートレインの設計は、第 1 次高調波の近似を使用して自動的に計算されます。
このモデルには、パワー エレクトロニクス スイッチの 2 つのバリアントが含まれています。詳細バージョンには、非線形特性をもつ MOSFET が含まれています。抽象バージョンでは、理想的なスイッチ、ボディ ダイオード、出力静電容量をもつ区分的線形モデルを使用しています。抽象バージョンは非常に似た動作と、より高速なシミュレーションを実現します。
モデル

パワー エレクトロニクス スイッチ - 詳細バリアント
詳細バージョンを有効にするには、モデル内で "Detailed - MOSFET" をクリックします。または、MATLAB® コマンド ウィンドウで次のように入力します。
DCDCLLCConverterSetAbstractDetailed(bdroot,'Detailed');

パワー エレクトロニクス スイッチ - 抽象バリアント
抽象バージョンを有効にするには、モデル内で "Abstract - Ideal Switch" をクリックします。または、MATLAB® コマンド ウィンドウで次のように入力します。
DCDCLLCConverterSetAbstractDetailed(bdroot,'Abstract');

Simscape ログからのシミュレーション結果
次のプロットは、出力電圧と基準電圧の比較を示しています。また、基準電圧を追跡するために制御システムによってスイッチング周波数が調整されるのに伴う、スイッチング周波数の変化も示します。

以下のプロットは、抽象モデルと詳細モデルの動作を示しています。非常に似た結果になるので、精度を大幅に損なうことなく抽象モデルを使用できることがわかります。


参考
N-Channel MOSFET | Three-Winding Mutual Inductor