非同期 PWM 電圧源
この例では、Simscape™ Foundation Library の PS Asynchronous Sample & Hold ブロックを使用して、より複雑な動作のコンポーネントを作成する方法を説明します。このモデルでは、制御可能な PWM 電圧源が実装されます。PWM がオンの時間 (デューティ比) は物理量信号入力 u に比例します。
PS Asynchronous Sample & Hold ブロックを使用すると PWM 信号のエッジを正確に取得できるようになり、離散型の実装と比較してシミュレーション速度がより高速になります。このモデルは、可変ステップ ソルバーを使用して実行し、PWM スイッチング イベントが発生する正確なタイミングで方程式を解くようにする必要があります。これにより、目的のデューティ比による理想的な分解能が与えられます。固定ステップで実行する場合、シミュレーション全体を、目的のデューティ比分解能と等しいステップ サイズで実行する必要があります。
代替方法である離散時間実装は、「離散時間 PWM 電圧源」の例 (DiscreteTimePWMVoltageSourceExample) を参照してください。固定ステップ ソルバーとハードウェアインザループのアプリケーションには、離散時間の方が適しています。
モデル

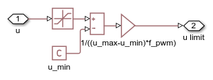
Asynchronous PWM Voltage Source サブシステム

Scope からのシミュレーション結果

Simscape ログからのシミュレーション結果
以下のプロットは、Asynchronous PWM Voltage Source の出力電圧と、シミュレーションで使用したステップ サイズを示します。可変ステップ ソルバーを使用しているため、PWM パルスの開始点または終了点に達するまで、大きなステップをとることができます。

以下のプロットでは、DiscreteTimePWMVoltageSourceExample と AsynchronousPWMVoltageSource の結果を比較しています。どちらのモデルもほぼ同じ電圧信号を生成しますが、非同期モデルは可変ステップ ソルバーを使用して実行でき、より大きなステップをとることができます。これにより、シミュレーションがより高速になる場合があります。
