このページの内容は最新ではありません。最新版の英語を参照するには、ここをクリックします。
カスタム ライブラリを備えた PEM 燃料電池システム
この例では、プロトン交換膜 (PEM) 燃料電池スタックをカスタム ライブラリとカスタム Simscape™ ドメインでモデル化する方法を示します。カスタム ライブラリには、燃料電池のモデル化に合わせてカスタマイズされたブロックが含まれています。カスタム ドメインは、窒素 (N2)、酸素 (O2)、水素 (H2)、水蒸気 (H2O) を含む 4 種の気体混合体をモデル化します。
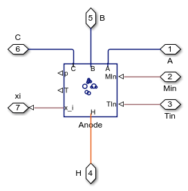
PEM 燃料電池では、水素と酸素を消費して水蒸気を生成することにより発電します。アノードには窒素 (N2)、水蒸気 (H2O)、水素 (H2) が含まれ、燃料を表しています。水素は燃料タンクに 70 MPa で保存されています。減圧バルブにより、水素が燃料電池スタックに約 0.16 MPa で放出されます。消費されなかった水素はスタックに再循環されます。
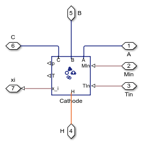
カソードには窒素 (N2)、水蒸気 (H2O)、酸素 (O2) が含まれ、環境からの空気を表しています。燃料電池が酸素不足にならないように、コンプレッサーが空気を指定された速度で燃料電池スタックに送ります。圧力安全バルブにより、スタック内の圧力は約 0.16 MPa で維持され、排気は環境に放出されます。
さまざまな負荷条件で効率的な動作が確保されるよう、燃料電池スタックの温度と相対湿度は最適なレベルで維持されなければなりません。温度が高くなると熱効率は上がりますが、相対湿度は下がるため、膜抵抗が高くなります。そのため、このモデルでは、燃料電池スタックの温度は摂氏 80 度に維持されています。冷却システムは電池間で冷却水を循環して熱を吸収し、ラジエーターによって環境に熱を放出します。加湿器は気体を水蒸気で飽和させることにより、膜を水和状態にし、電気抵抗を最小化します。
MEA ブロックは Simscape コード FuelCell.ssc で実装されます。
アノードとカソードの気体チャネル ブロックの出力端子 xi により、燃料電池反応のモデル化に必要な気体モル分率が提供されます。このブロックは、アノードとカソードからのそれぞれ H2 と O2 の除去と、化学反応による H2O の生成をモデル化します。水蒸気は MEA を通過します。反応により生成された熱は熱端子 H を経由して、接続されている Thermal Mass ブロックに送られます。実装の詳細については、コード内のコメントを参照してください。
湿り空気ドメインを使用するPEM 燃料電池システムの例も参照してください。
参考文献:
Dutta, Sandip, Sirivatch Shimpalee, and J. W. Van Zee. "Numerical prediction of mass-exchange between cathode and anode channels in a PEM fuel cell." "International Journal of Heat and Mass Transfer" 44.11 (2001): 2029-2042.
EG&G Technical Services, Inc. Fuel Cell Handbook (Seventh Edition). US Department of Energy, Office of Fossil Energy, National Energy Technology Laboratory, 2004.
Pukrushpan, Jay T., Anna G. Stefanopoulou, and Huei Peng. Control of fuel cell power systems: principles, modeling, analysis and feedback design. Springer-Verlag London, 2004.
Spiegel, Colleen. PEM fuel cell modeling and simulation using MATLAB. Elsevier, 2008.
モデル

Anode Humidifier サブシステム

Anode Exhaust サブシステム

Anode Gas Channels サブシステム

Cathode Humidifier サブシステム

Cathode Exhaust サブシステム

Pressure Relief Valve サブシステム

Cathode Gas Channels サブシステム

Cooling System サブシステム

Coolant Tank サブシステム

Electrical Load サブシステム

Hydrogen Source サブシステム

Pressure-Reducing Valve サブシステム

Oxygen Source サブシステム

Recirculation サブシステム

Scope からのシミュレーション結果


Simscape ログからのシミュレーション結果
次のプロットは、スタックの燃料電池の電流-電圧 (i-v) 曲線を示しています。電流が上昇すると、電極の活性化損失により電圧の初期低下が発生し、その後、オーム抵抗により電圧が徐々に低下します。最大電流付近では、気体の移動に関連する損失により、電圧の急激な低下が発生します。
このプロットでは、電池により生じる電力も示されています。ランプのシナリオが選択された場合、電力は最大電力出力まで上昇し、その後最大電流付近での高損失により低下します。

次のプロットは、燃料電池スタックで生成される電力と、安定的かつ効率的なシステム動作を維持するためにカソード エア コンプレッサーと冷却水ポンプにより消費される電力を示しています。結果として、システムにより生成される正味電力は、スタックにより生成される電力より数パーセント少なくなっています。このモデルでは等エントロピー コンプレッサーが想定されていることに注意してください。コンプレッサーの効率性を考慮に入れると、正味電力ゲインはさらに数パーセント低下します。
このプロットはまた、燃料電池スタックで生成される過剰な熱も示しており、これは冷却システムで除去しなければなりません。燃料電池スタックで生成される最大電力は 95 kW です。

次のプロットは燃料電池の熱効率と、その反応物の利用割合を示しています。熱効率は、燃料電池によって有用な電力に変換された、水素燃料のエネルギーの割合を表します。PEM 燃料電池の理論上の最大効率は 83% です。しかし、内部損失があるため、実際の効率は約 60% です。最大電流付近では、効率は約 45% まで低下します。
反応物の利用率は、燃料電池スタックに流入する反応物 (H2 と O2) のうち、燃料電池で消費されたものの割合です。利用率が高いと、燃料電池を流れる気体は効率的に使用されますが、反応物の濃度が下がるため生成される電圧は低下します。未消費の O2 は環境に排出されますが、未消費の H2 は無駄にならないようアノードに再循環されます。汚染物質を取り除くために H2 は定期的に除去されます。

次のプロットは、システム内のさまざまな箇所の温度を示しています。燃料電池スタックの温度は冷却システムにより最大で摂氏 80 度に維持されています。アノードに流入する燃料は、再循環の流れによって加熱されます。カソードに流入する空気は、コンプレッサーによって加熱されます。
温度が高くなると相対湿度が低下して膜抵抗が高くなるため、最適な温度の維持は燃料電池の動作にとって不可欠です。このモデルでは、冷却システムは冷却水ポンプ流量の単純な制御により操作されます。プロットは、冷却水が燃料電池スタックから熱を吸収した後の温度と、冷却水がラジエーターで熱を放出した後の温度を示しています。

次のプロットは、動作中に使用された水素の質量と、これに対応する水素タンク圧力の低下を示しています。消費された水素燃料のエネルギーは、電気エネルギーに変換されます。

次のプロットは、燃料電池アノードの窒素と水素のモル濃度を示しています。窒素の濃度が高くなるほど水素の濃度が低くなり、燃料電池の性能が低下します。このシステムには、アノードの水素濃度を高く維持することを目的としたパージ バルブがあります。このバルブは、アノードの窒素モル濃度が 50% を超えると開き、10% に戻ると閉じます。パージ バルブが開いて窒素を放出すると、残念ながら水素も放出されます。したがって、燃料電池のパージ バルブには、通常、慎重に設計された制御戦略が必要です。
![]()