このページの内容は最新ではありません。最新版の英語を参照するには、ここをクリックします。
ダイオード リング混合器
このモデルは、ダイオード リングを使用して周波数変調信号を復調する方法を示しています。RF 入力は固定周波数 9 MHz で、ローカル発振器は固定周波数 11 MHz です。したがって、周波数変調信号は、2 MHz の正弦波になります。この 2 MHz 成分は、IF 応答にはっきり見ることができます。IF 応答の 2 番目の成分は、RF の周波数と局部発振器の周波数の和、つまり 20 MHz です。
スペクトルは、ダイオード リング混合器が、いくらかの不要な高調波を導入していることを示しています。スペクトルを使用すると、動作リング混合器モデルに項を追加して拡張し、より複雑な回路で使用可能な抽象化された混合器モデルを作成する方法を決定できます。
モデル

Diode Ring Mixer Behavioral サブシステム

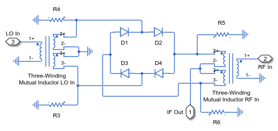
Diode Ring Mixer Circuit サブシステム

Simscape ログからのシミュレーション結果
以下のプロットは、回路モデルと動作混合器モデルの出力を示しています。

スペクトル アナライザーでのシミュレーション結果
以下の周波数スペクトル プロットは、動作モデルと回路モデルが同様の結果を生成することを示しています。回路モデルからのスペクトルでは、理想的な動作モデルには示されていない不要な高調波が追加で示されています。
