View Requirement Links from Generated Code
View requirements linked to a model by using the Requirements Manager app and model object context menu.
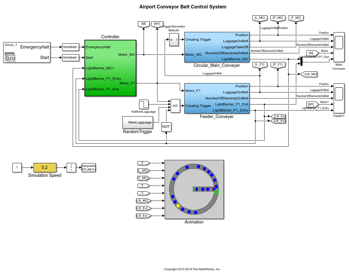
Open Model
This model shows how to generate code for an airport conveyer belt controller. Open the Controller subsystem, then open the Stateflow chart inside it. This chart implements the control logic for starting and stopping the conveyer belt motor, depending on sensor inputs.
open_system('plcdemo_airport_conveyor_requirements');

View Requirements
You can view requirements linked to the model by using the * Requirements Manager* app and by using the object context menu on specific model.
Requirements Manager app
Open the Requirements Manager app. Click a requirement in the Requirements Browser. The corresponding model element is highlighted.

Model Object Context Menu
To view the requirement for a model-specific object, right-click an element and select Requirements > Open Outgoing Links. For example, to view the requirements for the Controller subsystem block, right-click the Controller block and select Requirements > Open Outgoing Links.

See Also
Link Model Objects (Requirements Toolbox)
Compare and Merge Requirements and Links (Requirements Toolbox)